EasyManua.ls Logo

Tektronix 422 - Page 188

Tektronix 422
213 pages
Print Icon
To Next Page IconTo Next Page
To Next Page IconTo Next Page
To Previous Page IconTo Previous Page
To Previous Page IconTo Previous Page
Loading...
sv/ div
O.SV/DtV
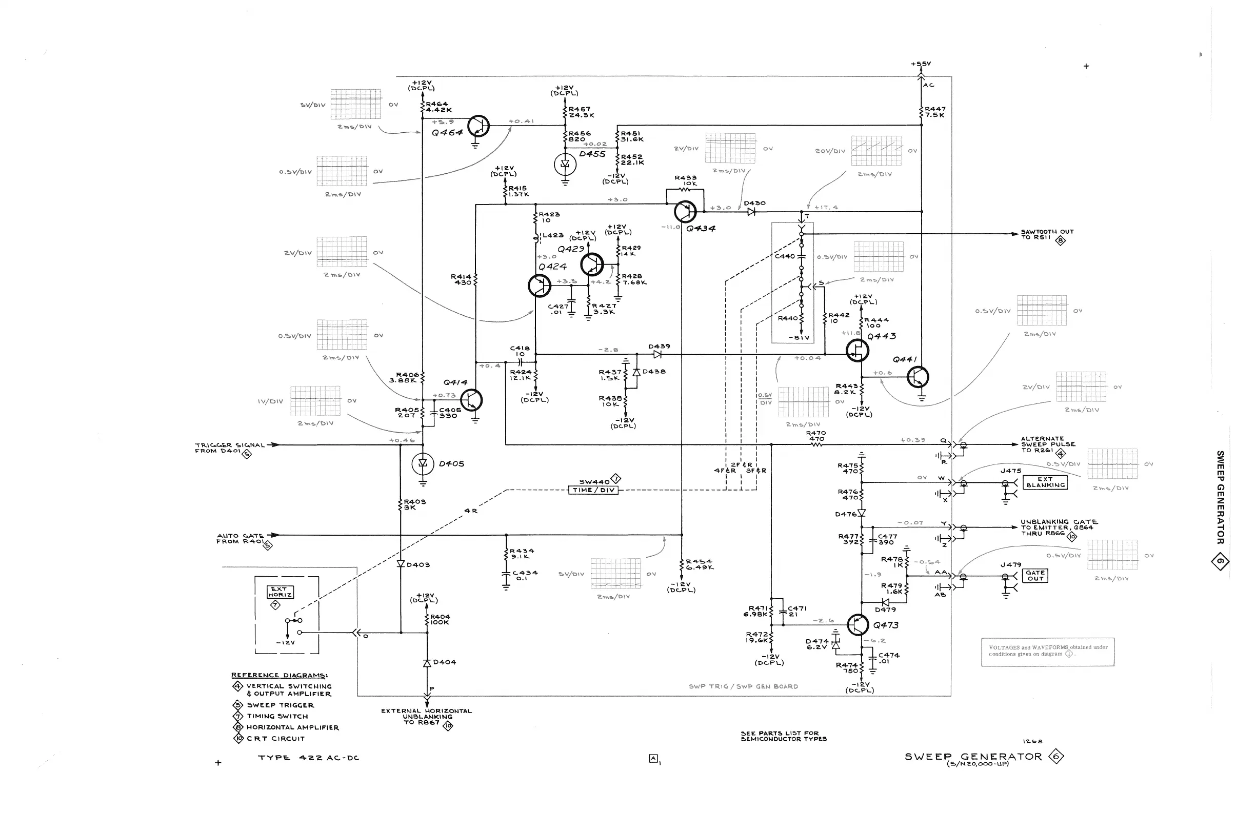
SAW TO OTH O UT
2-V/osV
O.S>V/OtV
W/OIV
TTUC*C*fe.R SIC»NAL->
FROM D 4 ° \ ^
2v««,/DW
AUTO C\ATt
FROM RAO\
4 OUTPUT AMPLIFIER
<S> SWEEP TRIGGER
<^> TIMING SWITCH
<&> HORIZONTAL AMPLIFIER
<& C R T CIRCUIT
T Y P E -^^*2. AC-DC
S E E PA R TS L IS T F O R
S E M IC O N D U C T O R T YPES
0 ,
SW EEP GENERATOR <6>
(S /N 20 (000-UP) V
< $ >
SWEEP GENERATOR

Related product manuals