EasyManua.ls Logo

Tektronix 422 - Page 190

Tektronix 422
213 pages
Print Icon
To Next Page IconTo Next Page
To Next Page IconTo Next Page
To Previous Page IconTo Previous Page
To Previous Page IconTo Previous Page
Loading...
io.sv
_
__
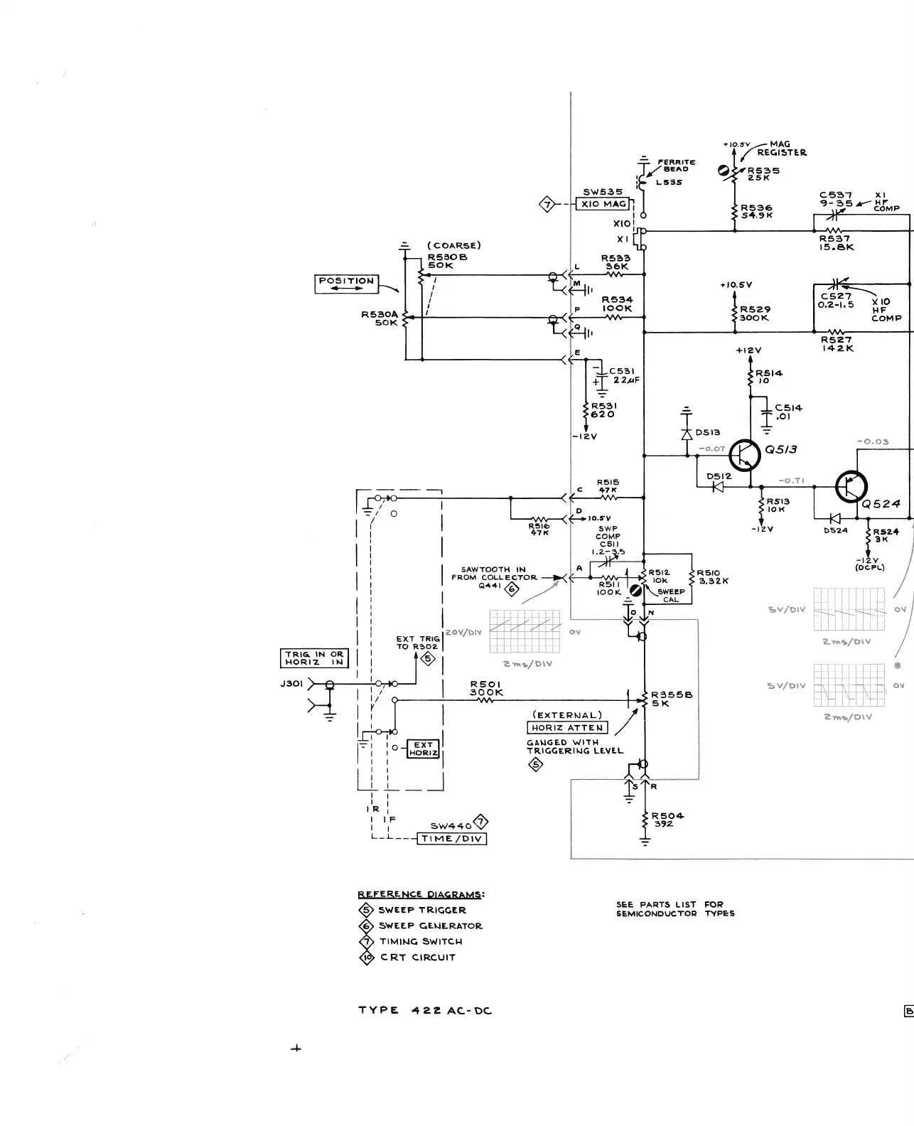
MAG
R EGISTE R
I F
I S W 4 4 Q
1 J
------
[tim e/ dTv
| NO R IZ A TT E N | /
1
GAUGED W ITH
TR IG GER IN G LEVEL
1
<$>
j r f
I
I 3 '
"r
I R 5 0 4 -
> 392.
R EF E R E N C E D IAGRAMS?
<§> S W EE P TR IG G E R
f
SW EEP G EN E R A T O R
T IM IN G S W IT C H
C R T C IR C U IT
SEE PARTS LIST FOR
SEMICONDUCTOR TVPES
H
TYPE 422 AC-DC

Related product manuals