EasyManua.ls Logo

Tektronix 576 - Page 64

Tektronix 576
251 pages
Print Icon
To Next Page IconTo Next Page
To Next Page IconTo Next Page
To Previous Page IconTo Previous Page
To Previous Page IconTo Previous Page
Loading...
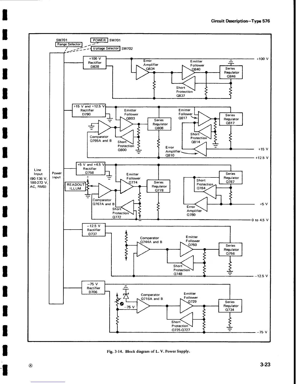
Fig
.
3-14
.
Block
diagram
of
L
.
V
.
Power
Supply
.
Circuit
Description-Type
576
Line
Input
(90-136
V,
180-272
V,
AC,
RMS)
SW701
POWER
SW701
Range
Selector
Voltage
Selector
SW702
3-23

Related product manuals