EasyManua.ls Logo

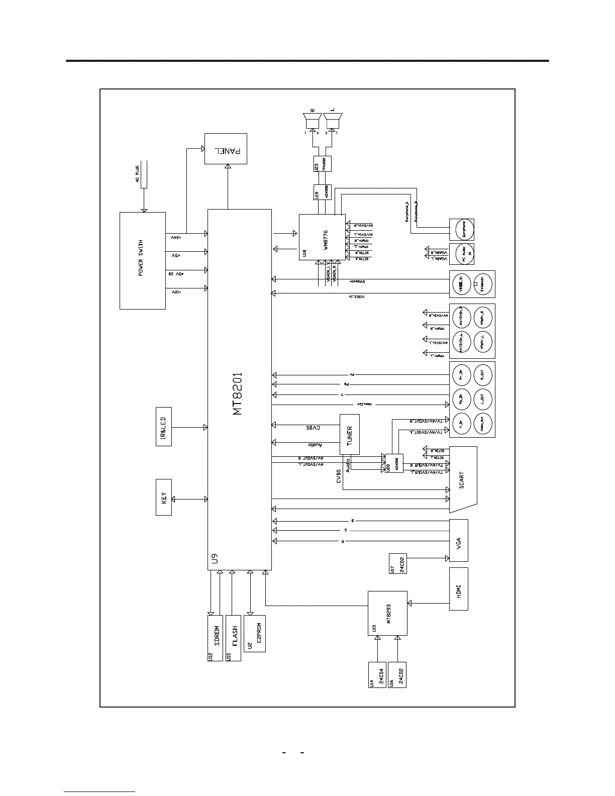
Telefunken TF32K82A - Wiring Diagram; System Block Wiring Diagram

Telefunken TF32K82A
63 pages
Print Icon
To Next Page IconTo Next Page
To Next Page IconTo Next Page
To Previous Page IconTo Previous Page
To Previous Page IconTo Previous Page
Loading...
Wiring Dirgram
35
Figure 3-2 Wiring Diagram

Related product manuals