EasyManua.ls Logo

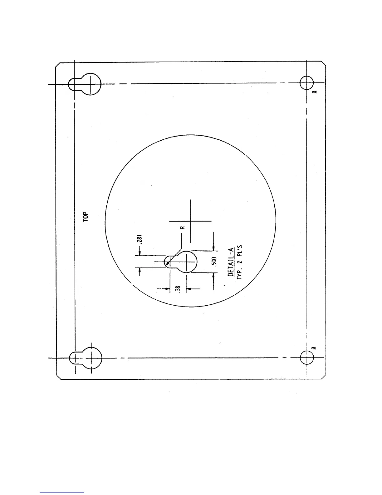
Telephonics RDR-1600 - Figure 2.9-10. DA-1203 A Antenna Mount Hole Pattern

Telephonics RDR-1600
81 pages
Print Icon
To Next Page IconTo Next Page
To Next Page IconTo Next Page
To Previous Page IconTo Previous Page
To Previous Page IconTo Previous Page
Loading...
TM106601_(7/01) 2-39/(2-40 blank)
USE OR DISCLOSURE OF DATA CONTAINED ON THIS PAGE IS SUBJECT TO THE
RESTRICTION ON THE TITLE PAGE OF THIS DOCUMENT.
Figure 2.9-10. DA-1203A Antenna Mount Hole Pattern

Table of Contents

Other manuals for Telephonics RDR-1600

Related product manuals