EasyManua.ls Logo

Telit Wireless Solutions LE910C1-EU - Page 117

Telit Wireless Solutions LE910C1-EU
149 pages
Print Icon
To Next Page IconTo Next Page
To Next Page IconTo Next Page
To Previous Page IconTo Previous Page
To Previous Page IconTo Previous Page
Loading...
LE910Cx Hardware Design Guide
1VV0301298 Rev.40 Page 117 of 149 2023-03-16
Not Subject to NDA
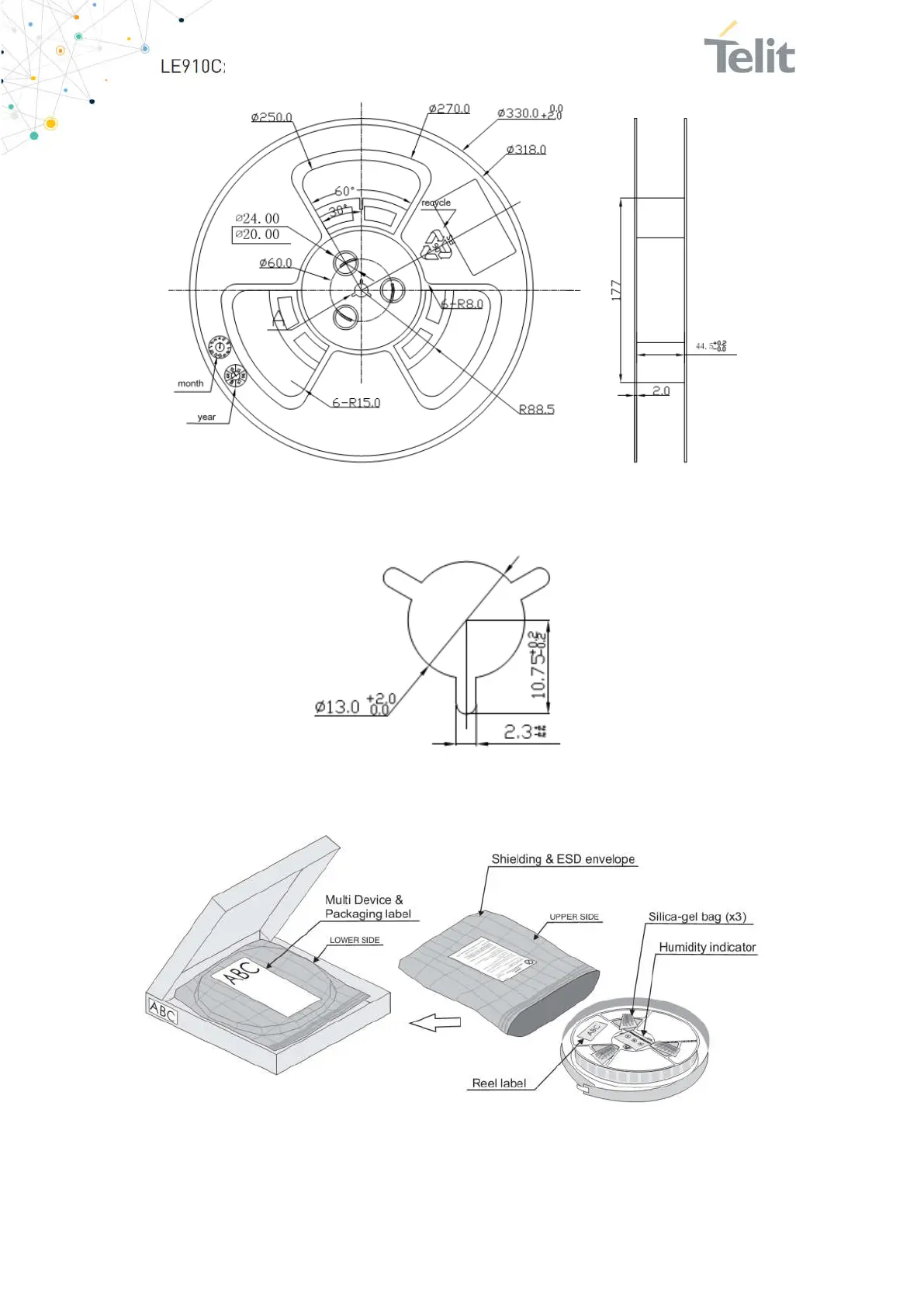
Figure 44: Reel Detail
Figure 45: Detail
Figure 46: Reel Box Detail

Table of Contents

Other manuals for Telit Wireless Solutions LE910C1-EU

Related product manuals