EasyManua.ls Logo

Temp-Cool TC-60B - Wiring Schematics; Wiring Schematic, TC-12 B

Default Icon
22 pages
Print Icon
To Next Page IconTo Next Page
To Next Page IconTo Next Page
To Previous Page IconTo Previous Page
To Previous Page IconTo Previous Page
Loading...
Portable Cooling Systems
15
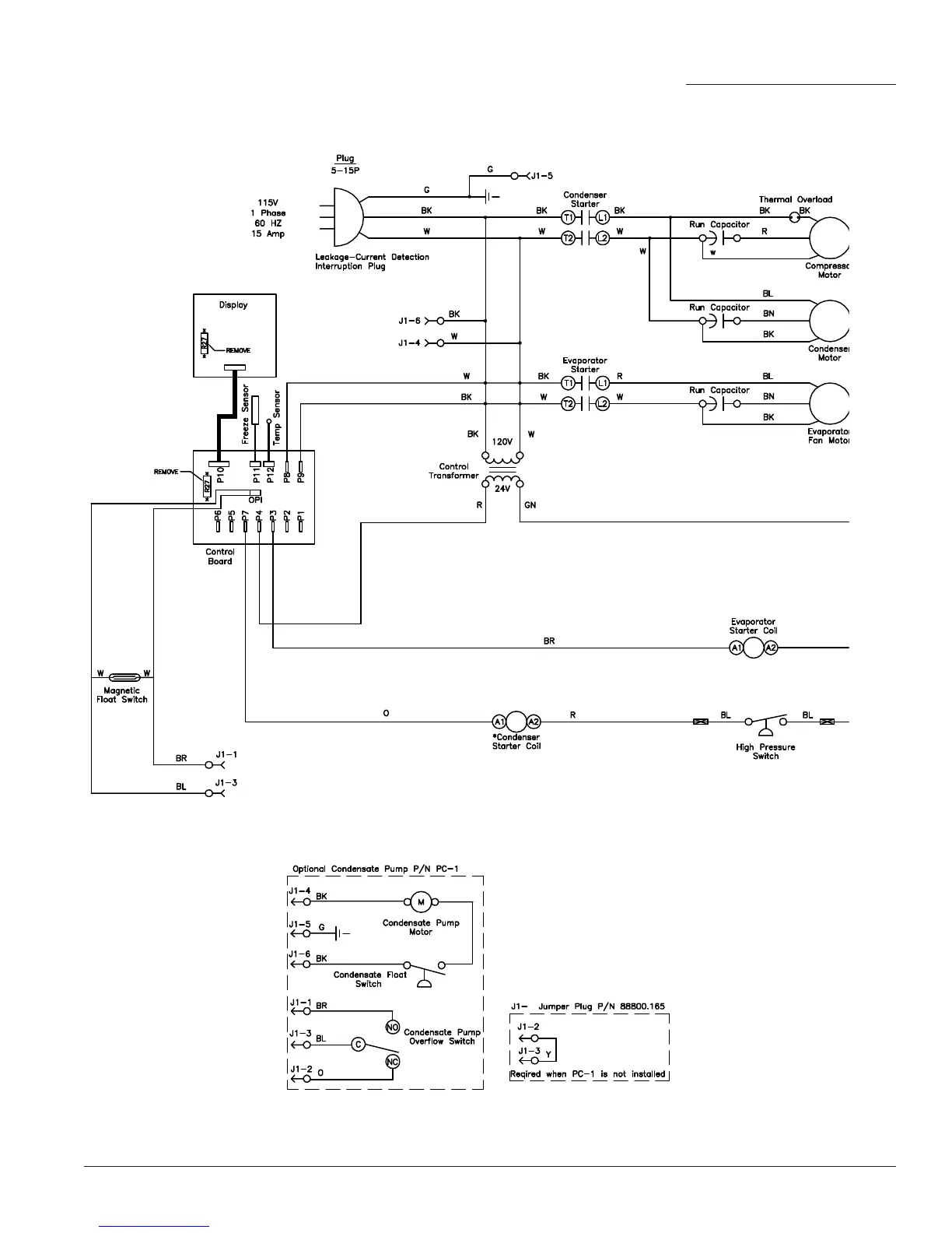
Wiring Schematic, TC-12B

Related product manuals