EasyManua.ls Logo

Tempstar F97CMN - Condensate Drain Connection

Tempstar F97CMN
74 pages
Print Icon
To Next Page IconTo Next Page
To Next Page IconTo Next Page
To Previous Page IconTo Previous Page
To Previous Page IconTo Previous Page
Loading...
F97CMN and G97CMN: Installation, Start-up, Operating and Service and Maintenance Instructions
Manufacturer reserves the right to change, at any time, specifications and designs without notice and without obligations.
11
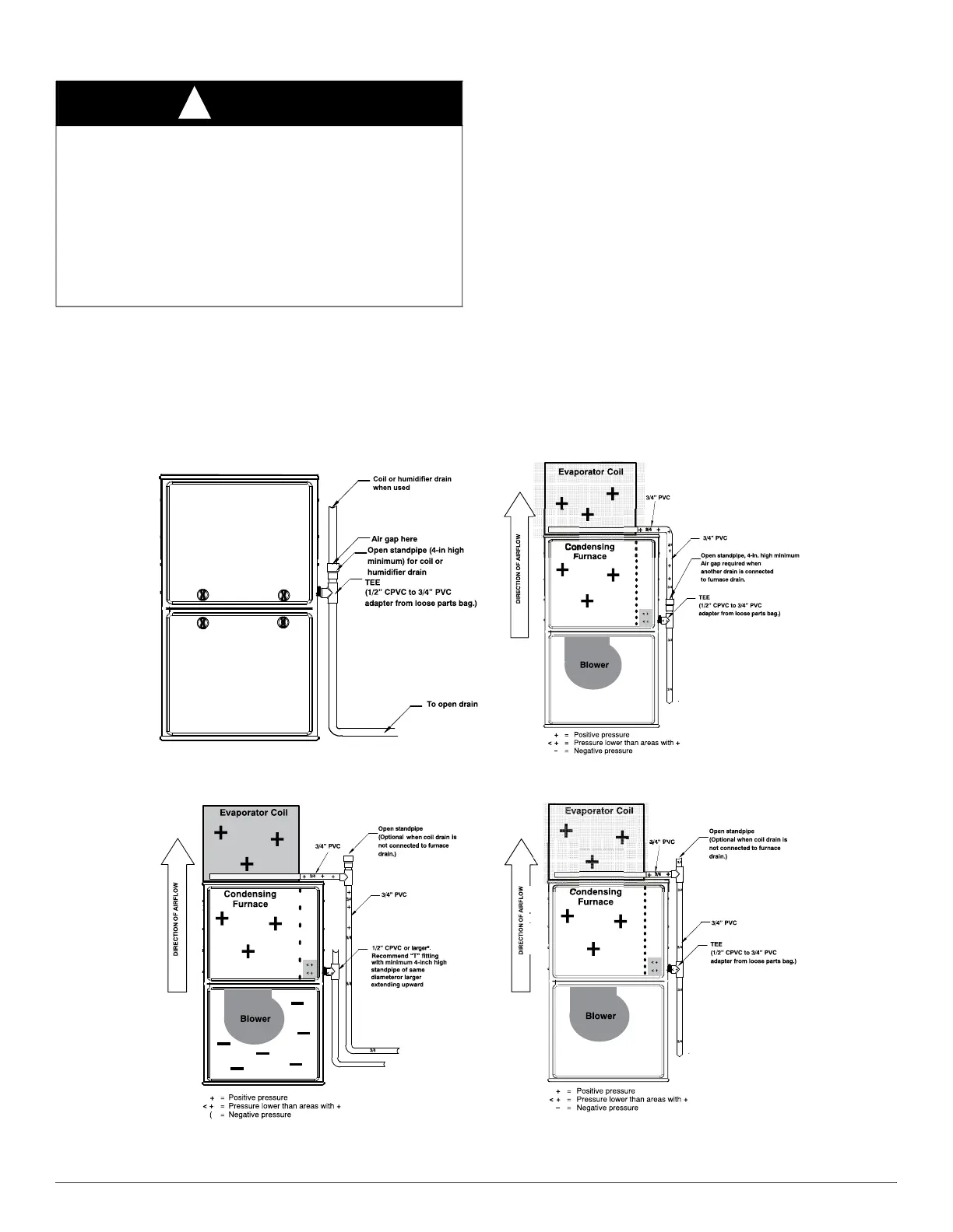
CONDENSATE DRAIN CONNECTION
DO NOT trap the drain line in any other location than at the condensate
drain trap supplied with the furnace. If possible, DO NOT route the drain
line where it may freeze. The drain line must terminate at an inside drain
to prevent freezing of the condensate and possible property damage.
Special precautions MUST be made if installing furnace in an area
which may drop below 32° F (0° C). This can cause improper operation
or damage to the equipment. If the furnace environment has the potential
of freezing, the drain trap and drain line must be protected. In areas
where the temperature may be below 32° F (0° C), a Condensate Freeze
Protection kit is strongly recommended. Refer to the Accessory section
of the Specification Sheet for current kit number. If the Condensate
Freeze Protection kit is not used, the factory-installed condensate trap
must be adequately covered using a self-regulating, shielded and
waterproof heat tape rated at 3 to 6 watt per foot (10 to 20 watt per
meter) at 115 volt, 40°F (4°C). Failure to effectively secure the heat
tape to the trap and sufficiently cover the trap with heat tape may
result in freezing and cracking of the trap, causing a leak that
results in property damage. In applications with potential for freezing,
the above specified heat tape must also adequately cover/wrap the
remaining condensate drain line to provide freeze protection. Wrap the
drain trap and drain line with the heat tape and secure with appropriate
plastic ties. Follow the heat tape manufacturer’s recommendations.
Prime the trap before furnace operation.
The condensate drain line must be supported and/or secured per local
codes. Supports and clamps should be spaced to prevent the drain line
from sagging or being dislocated from the furnace or termination point.
In the absence of local codes, consult the current edition of the National
Standard Plumbing Code, in the U.S. or the current edition National
Plumbing Code of Canada in Canada.
A170135
Fig. 11 – Example of Field Drain Attachment
CAUTION
!
FROZEN AND BURST WATER PIPE HAZARD
Failure to protect against the risk of freezing may result in property
damage.
Special precautions MUST be made if installing furnace in an area
which may drop below freezing. This can cause improper operation or
damage to equipment. If furnace environment has the potential of
freezing, the drain trap and drain line must be protected. The use of
accessory drain trap heaters, electric heat tape and/or RV antifreeze is
required for these installations.
-
-
-
-
-
-
-
-
-
-
-
-

Related product manuals