EasyManua.ls Logo

Temsa TS35 - Page 19

Temsa TS35
22 pages
Print Icon
To Next Page IconTo Next Page
To Next Page IconTo Next Page
To Previous Page IconTo Previous Page
To Previous Page IconTo Previous Page
Loading...
33-60C
(Br)
(Br)
C
C33-02
33-06
33-05
13-01D
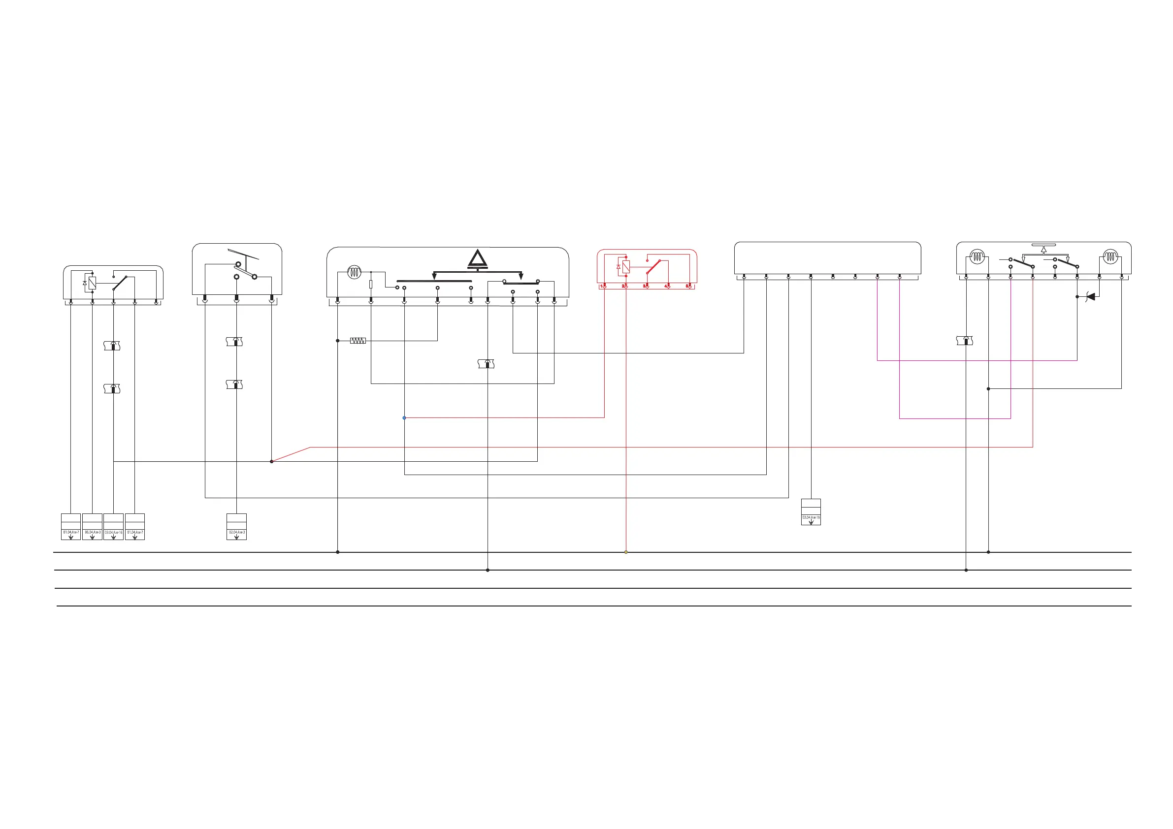
Emergency Stop Kl15 Cut-Off Relay
Emergency Stop Switch
Hazard Warning Signal Switch
Instrument Cluster
Front Door Control Switch
Automatic Hazard
Warning Signals Relay
KL 15
K
L 30
KL 58
KL 31
4
321 5
4
321
5
11-102B(1W )
06A002
(E-17)
11-0 7(1R)
13-01(1 R)
02S009
10 8 17 18 5 14 3
02S001
H
C33-02
A
C13-01
13-01(1 R)13-01(1 R)
33-33(1W)
13-4
6(
1W)
B
C33-02
M
C13-01
13-4 6(1W)
13-4 6(1W)
11 13
11-102A(1W )
13-01 A(1R)
13-01 C(1R)
E2B(1Br)
33-04 (1W)
33-60B(1W)
33-03(1W)
C
C33-02
(2)
02K003
01S001
01S004
01S001
01S002
11 41 9 5
33-03(1W)
33-04(1W)
33-33(1W)
33-02(1W)
33-05(1W)
(3)
01S004
KL 15
KL 30
KL 58
KL 31
18 19
07A001/ MOKI SOCKET D-2
23
11S002
8 7 56 10 9
1
4

Other manuals for Temsa TS35

Related product manuals