EasyManua.ls Logo

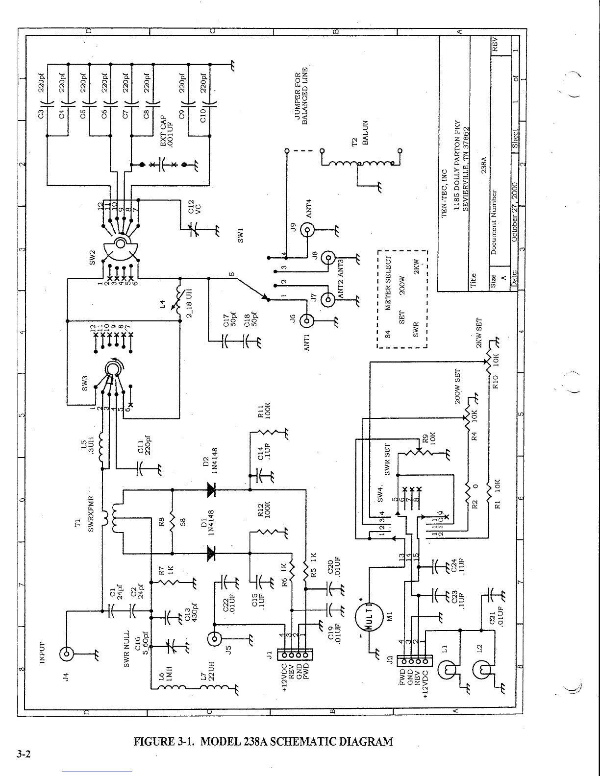
Ten-Tec 238B - Schematic Diagram

Ten-Tec 238B
21 pages
Print Icon
To Next Page IconTo Next Page
To Next Page IconTo Next Page
To Previous Page IconTo Previous Page
To Previous Page IconTo Previous Page
Loading...

Related product manuals