EasyManua.ls Logo

Terex TA35 - Page 112

Terex TA35
150 pages
Print Icon
To Next Page IconTo Next Page
To Next Page IconTo Next Page
To Previous Page IconTo Previous Page
To Previous Page IconTo Previous Page
Loading...
8-4
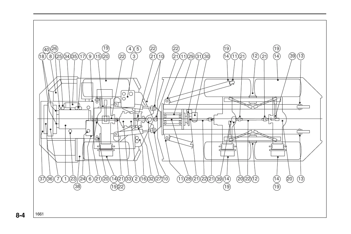
18 8 25 173534 915
26
37 36 7 23 21 14 33 16 32 2720
22
21 2 21
19
14 20
19
19
2014
14
19
14
13
13
12
12
22281110
24
22 321
22
21
10 11 29 31 30 212120
19
22
5
4
1 6
38
21 22
19
11
39
39
40
1661
Courtesy of Machine.Market

Related product manuals