EasyManua.ls Logo

Tescom DS330H - Page 50

Tescom DS330H
66 pages
Print Icon
To Next Page IconTo Next Page
To Next Page IconTo Next Page
To Previous Page IconTo Previous Page
To Previous Page IconTo Previous Page
Loading...
50
www.tescom-ups.gr
USER MANUAL
DS 300H Series 3/3 30 kVA UPS CONTROLLED UPS
48
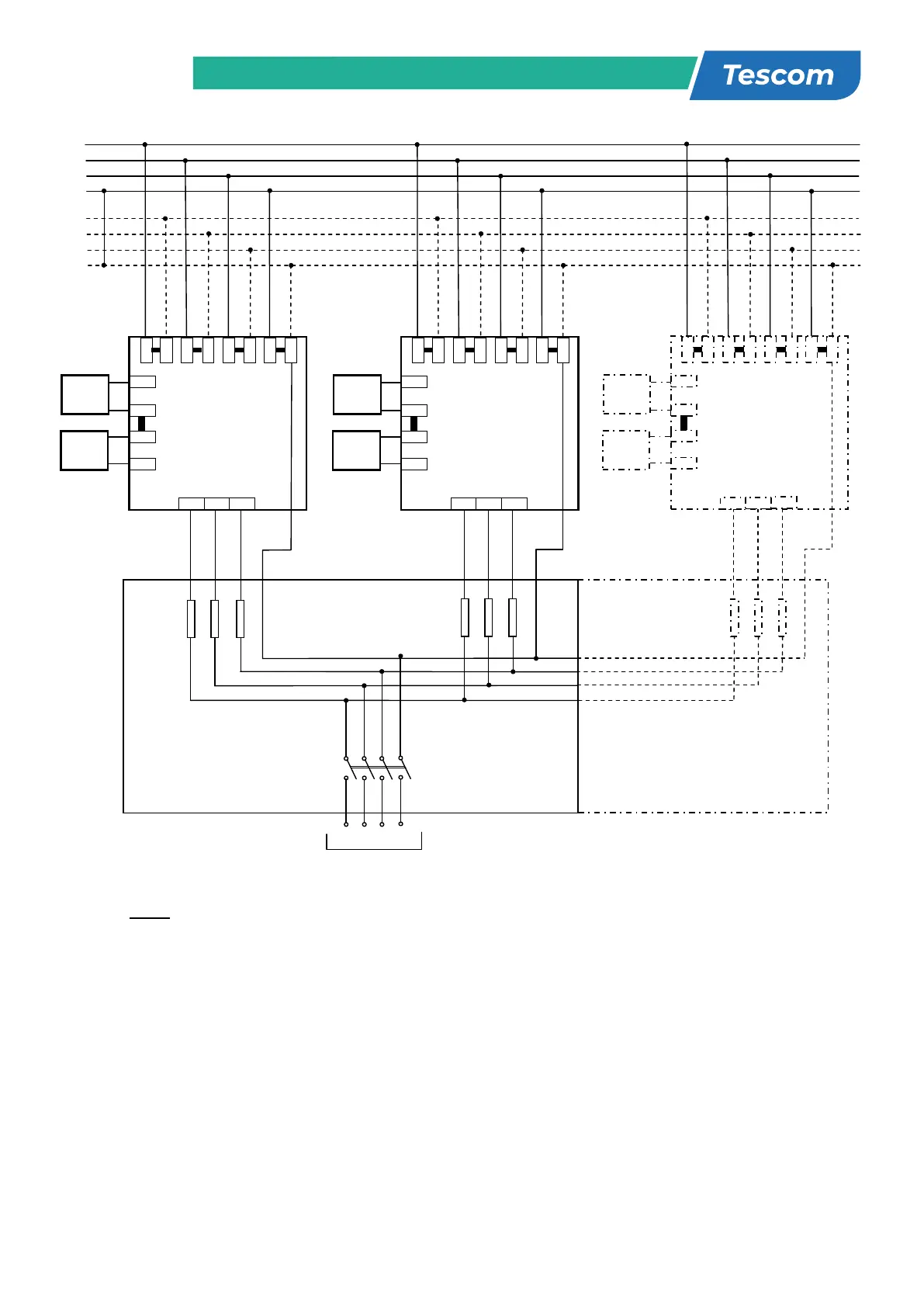
Note: As seen in the figure, the outputs of parallel UPS units should be connected to each other
using an AC distribution board.
ATTENTION!!!
The cables from input distrubution panel to the UPS by-pass input must be of the same size and
length for proper bypass load sharing.
The cables from each UPS output to the load distribution panel must be of the same size and length
for proper load sharing during parallel operation.
Figure 4.3
DS300H Series Parallel UPS Power Connections
BATTERIES
U
V
W
N
LOAD
FUSES
AC
BYPASS AC INPUT
MAIN AC INPUT
AC DISTRIBUTION
U1
V1
W1
N1
U2
V2
W2
N2
+
-
+
-
UPS1
K3
K2
K2
K4
K5
K6
K7
K8
K9
K10
K11
K12 K13 K14
K1
U
V
W
N
AC OUTPUT1
+
-
+
-
BATTERIES
UPS2
K3
K2
K2
K4
K5
K6
K7
K8
K9
K10
K11
K12 K13 K14
K1
U
V
W
N
AC OUTPUT2
FUSES
+
-
+
-
BATTERIES
UPS3
K3
K2
K2
K4
K5
K6
K7
K8
K9
K10
K11
K12 K13 K14
K1
U
V
W
N
AC OUTPUT3
FUSES
LOAD BRAKE
SWITCH

Table of Contents

Related product manuals