EasyManua.ls Logo

Tescom DS330H - Design Concept and Blocks

Tescom DS330H
66 pages
Print Icon
To Next Page IconTo Next Page
To Next Page IconTo Next Page
To Previous Page IconTo Previous Page
To Previous Page IconTo Previous Page
Loading...
7
USER MANUAL
DS 300H Series 3/3 30 kVA UPS CONTROLLED UPS
5
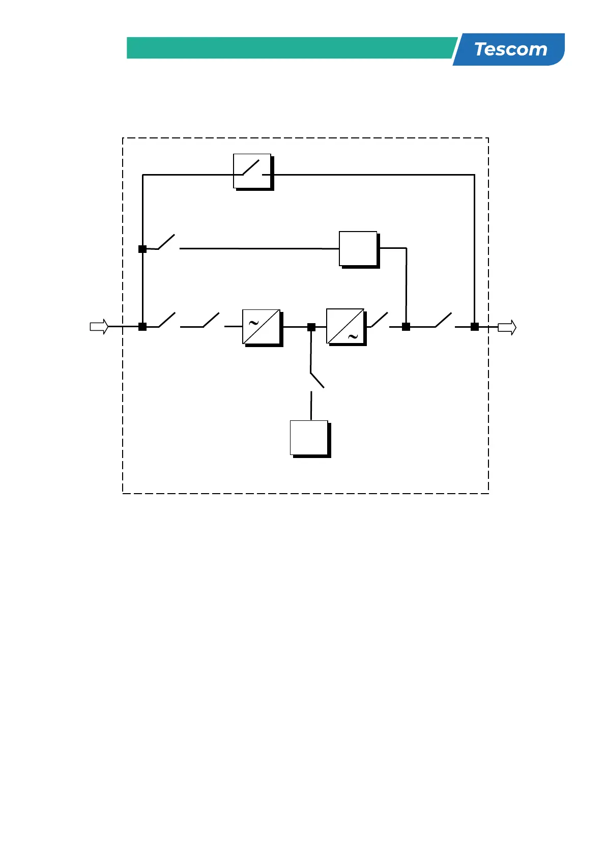
1.2 Design Concept
S1 (F1-F2-F3) : Rectifier Input Switch / Fuse
S2 (F4-F5-F6) : Bypass Input Switch / Fuse
S3 : Maintenance Bypass Switch
S4 (F7-F8-F9) : Output Switch / Fuse
S5 (F10-F11-F12) : Battery Switch / Fuse
K1 : Rectifier Input Contactor
K2 : Inverter Output Contactor
Rectifier /
Charger
3 PHASE
MAINS I/P
Battery
(Dual Polarity)
Maintenance
Bypass Switch
Static
Bypass
S2
(F4-F5-F6)
S1
(F1
-
F2
-
F3)
S5
(F10
-
F11
-
F12)
S3
S4
(F7-F8-F9)
Inverter
K2
3 PHASE
AC Output
K1
-
-
SB

Table of Contents

Related product manuals