EasyManua.ls Logo

Texas Instruments TMS320 - Page 6

Texas Instruments TMS320
70 pages
To Next Page IconTo Next Page
To Next Page IconTo Next Page
To Previous Page IconTo Previous Page
To Previous Page IconTo Previous Page
Loading...
TMS320 SECOND GENERATION
DIGITAL SIGNAL PROCESSORS
SPRS010B MAY 1987 REVISED NOVEMBER 1990
POST OFFICE BOX 1443 HOUSTON, TEXAS 77001
6
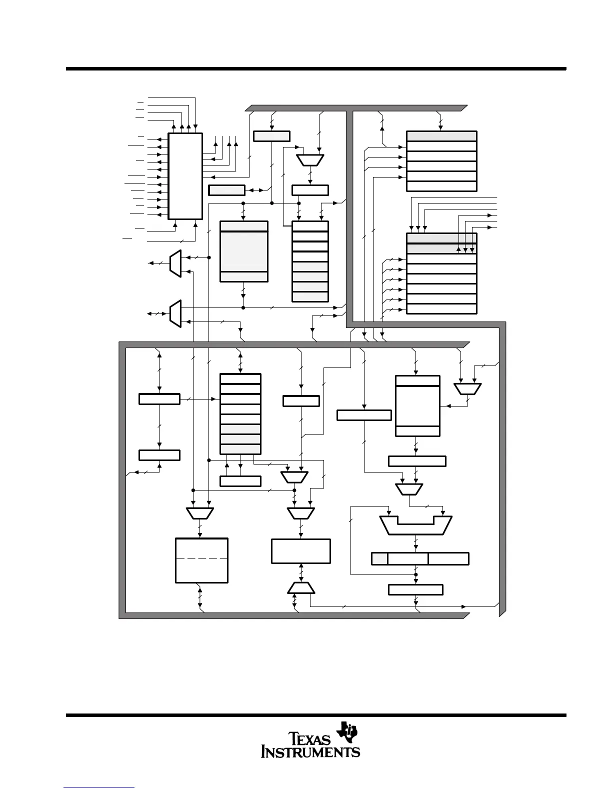
functional block diagram (TMS320C2x)
Data Bus
Data Bus
16
16
16
16
16
16
Shifters (0-7)
ACCL(16)
32
ACCH(16)
32
32
ALU(32)
32
32
32
Shifter(-6, 0, 1, 4)
16
Shifter(0-16)
7LSB
From IR
9
9
16
16
16
32
TR(16)
16
Multiplier
PR(32)
DATA/PROG
RAM (256
16)
Block B0
16
16
16
16
16
Data RAM
Block B1
(256 16)
Block B2
(32 16)
3
ARB(3)
3
3
3
ARP(3)
ARAU(16)
AR4(16)
AR3(16)
AR2(16)
AR1(16)
16
AR0(16)
DP(9)
16
FSX
CLKX
DX
FSR
CLKR
DRR(16)
DXR(16)
PRD(16)
TIM(16)
IMR(6)
GREG(8)
16 16
IFR(6)
RPTC(8)
STO(16)
ST1(16)
IR(16)
3
16
16
16
16
16
D15-D0
16
16
16
16
A15-A0
INT(2-0)
MP/
MC
Instruction
(8 x 16)
16
16
16
16
16
16 16 16
16
Stack
PC(16)
16
IACK
RS
BIO
MSC
HOLDA
HOLD
XF
BR
STRB
R/
W
Program Bus
Program Bus
Program
ROM/
EPROM
(4096 16)
QIR(16)
16
16
16
6
8
16
16
16
X1
X2/CLKIN
CLKOUT1
CLKOUT2
Controller
16
PFC(16)
MCS(16)
PS
DS
IS
SYNC
MUX
MUX
MUX
MUX
MUX
MUX
MUX
DR
MUXMUX
C
READY
Address
AR5(16)
AR6(16)
AR7(16)
RSR(16)
XSR(16)
LEGEND:
ACCH = Accumulator high IFR = Interrupt flag register PC = Program counter
ACCL = Accumulator low IMR = Interrupt mask register PFC = Prefetch counter
ALU = Arithmetic logic unit IR = Instruction register RPTC = Repeat instruction counter
ARAU = Auxiliary register arithmetic unitMCS = Microcall stack GREG = Global memory allocation register
ARB = Auxiliary register p ointer buffer QIR = Queue instruction register RSR = Serial port receive shift register
ARP = Auxiliary register pointer PR = Product register XSR = Serial port transmit shift register
DP = Data memory page pointer PRD = Period register for timer AR0-AR7 = Auxiliary registers
DRR = Serial port data receive registerTIM = Timer ST0, ST1 = Status registers
DXR = Serial port data transmit register TR = Temporary register C = Carry bit

Other manuals for Texas Instruments TMS320

Related product manuals