EasyManua.ls Logo

TGC RJD650 - Control Panel Overview; Control Panel Functions and Indicators

TGC RJD650
60 pages
Print Icon
To Next Page IconTo Next Page
To Next Page IconTo Next Page
To Previous Page IconTo Previous Page
To Previous Page IconTo Previous Page
Loading...
12
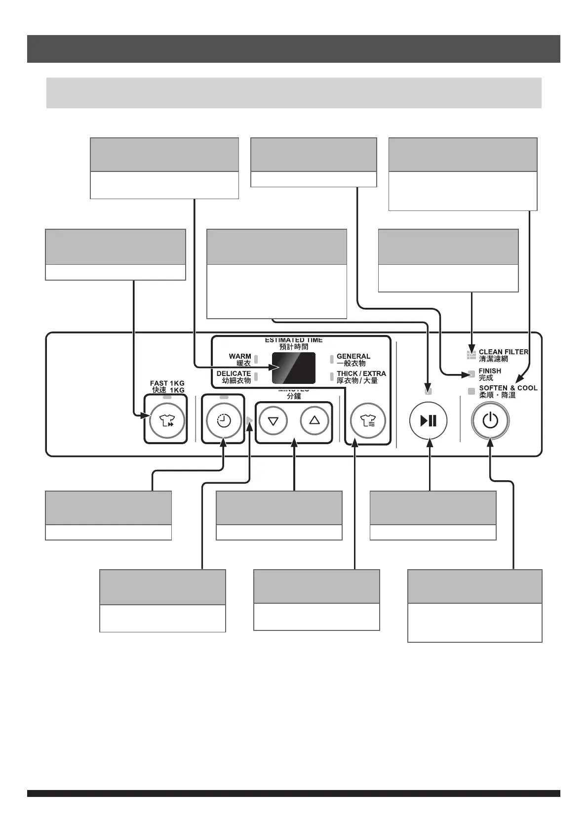
控制面板
顯示屏
顯示乾衣剩餘時間
顯示故障訊號
「快速 1KG」鍵和
指示燈(綠)
選擇「快速 1KG」程序
「時間」鍵和指示燈(綠)
選擇自選乾衣時間
「時間設定」指示燈
(綠)
選擇自選乾衣時間時,
這燈閃爍
「程序」鍵和指示燈(綠)
選擇乾衣程序
每按一次就切換一次
「開關」
開關乾衣機
如開啟乾衣機後10分鐘內
沒有操作,便自動關機
「啟動/暫停」
啟動或暫停運作
「運作」指示燈
(綠/紅)
指示燈說明 :
(綠色亮起)乾衣程序進行中
(紅色亮起)燃燒器運作中
(綠色閃爍)乾衣程序暫停
「清潔濾網」指示燈
(紅)
當這燈亮起紅光或閃爍,請
清潔過濾網
「時間設定」
調節自選乾衣時間
「柔順 ‧ 降溫」指示燈(綠)
乾衣結束後,會自動進入「柔
順及降溫」狀態,這燈會閃動,
當乾衣鼓轉動時,這燈會亮著
「完成」指示燈(綠)
乾衣結束後亮起
產品介紹