EasyManua.ls Logo

Thermo Dynamics CWL - Electrical Diagrams

Thermo Dynamics CWL
32 pages
Print Icon
To Next Page IconTo Next Page
To Next Page IconTo Next Page
To Previous Page IconTo Previous Page
To Previous Page IconTo Previous Page
Loading...
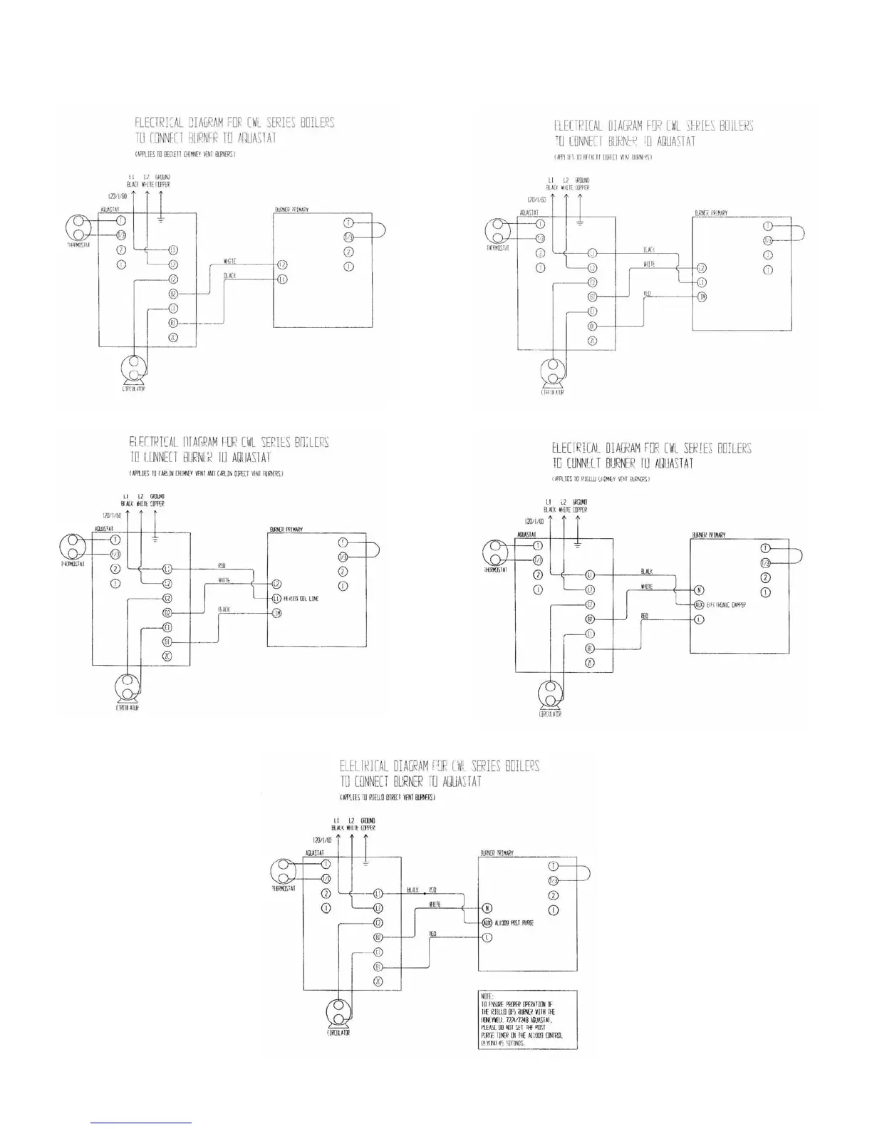
ELECTRICAL DIAGRAMS FOR CWL SERIES BOILERS
27