EasyManua.ls Logo

Thermo King TK 2.49 - Fuel System

Thermo King TK 2.49
112 pages
Print Icon
To Next Page IconTo Next Page
To Next Page IconTo Next Page
To Previous Page IconTo Previous Page
To Previous Page IconTo Previous Page
Loading...
85
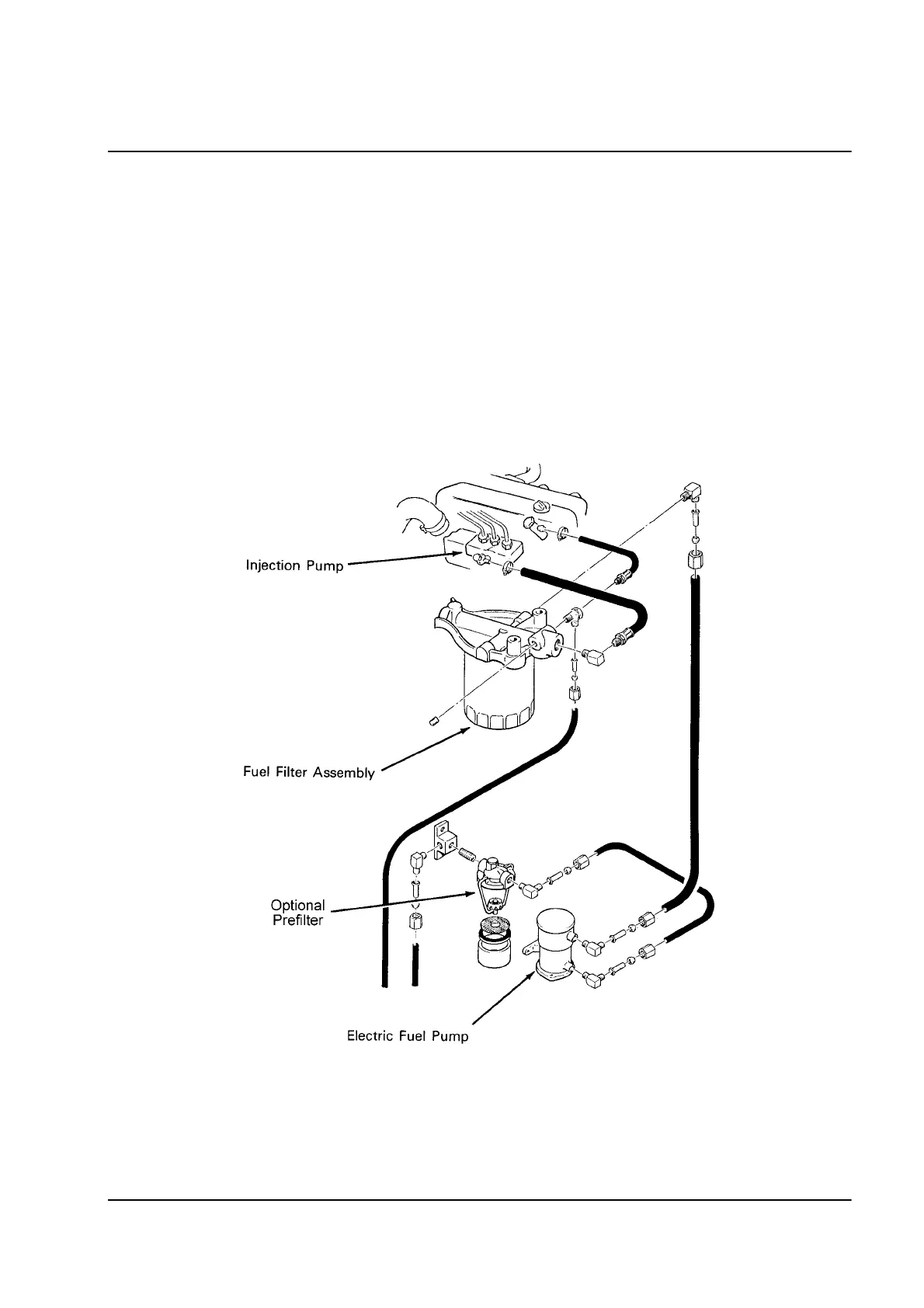
Fuel System
The fuel systems for these engines are basically the same.
The major components of the fuel system are:
1. Fuel Tank
2. Prefilter (Optional)
3. Electric Fuel Pump
4. Fuel Filter
5. Injection Pump
6. Injection Nozzles
The fuel is drawn from the fuel tank, through the prefilter (if
used), to the electric fuel pump. A prefilter specially
designed for diesel fuel is the only type of prefilter that
should be used.
Fuel System
aea331

Related product manuals