EasyManua.ls Logo

THOMSON 32E92NH22 - Page 58

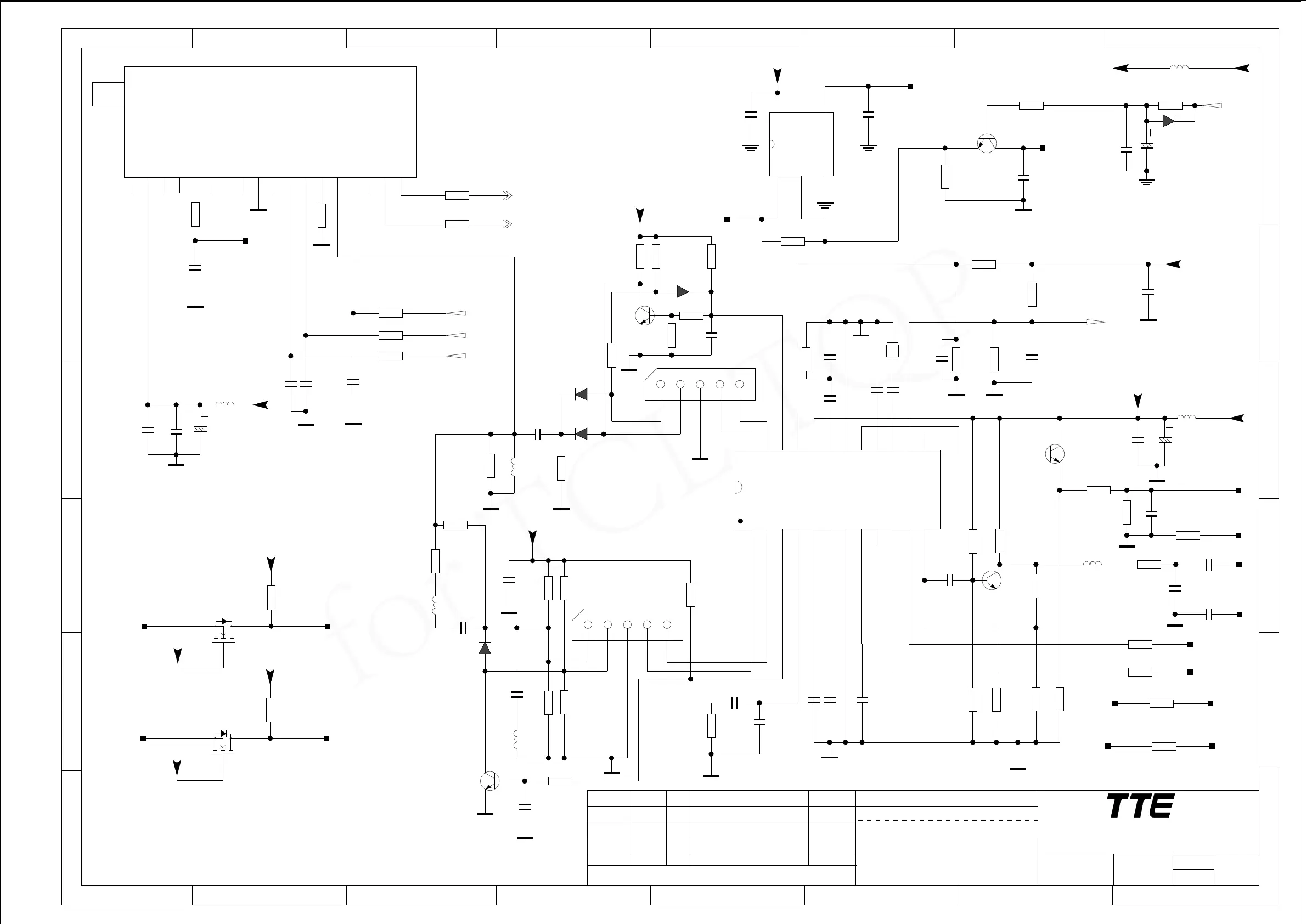
THOMSON 32E92NH22
89 pages
Print Icon
To Next Page IconTo Next Page
To Next Page IconTo Next Page
To Previous Page IconTo Previous Page
To Previous Page IconTo Previous Page
Loading...
for TCL TQP
IFOUT1
ANTPWR
B1
IFAGC
NC
TU
SCL
GND1
SDA
NC/GND1
NC/GND2
NC/RFAGC
NC1
XTALOUT
AS
ANALOG_IF
IFOUT2
OUT2
OUT1
GND
IN/GND
IN
DESIGNATION
4-27-2007_10:59
ON:
BY:
CHECKED
DRAWN
DESIGNATION
DATE DESCRIPTION Last modifNAMEIndex-Lab
SBU :
TOCOM-Nr
ON:
BY:
OF :
PAGE:
SNAME
Last saved :
A
123
THIS DRAWING CANNOT BE COMMUNICATED TO UNAUTHORIZED PERSONS COPIED UNLES S PERMITTED IN WRITING
45678
F
E
D
C
B
A
8 7 6 5 4 3 2 1
F
E
D
C
B
FORMAT DIN A3
TCL Thomson Electronics Singapore Pte. Ltd.
Tel (65) 63092900 Fax (65) 63092999
The JTC Summit SINGAPORE 609434
8 Jurong Town Hall Road #28-01/06
NC
TAGC
REF
VAGC
VIF1
VIF2
OP1
FMPLL
DEEM
AFD
DGND
AUD CVBS
AGND
VPLL
VP
AFC
SIF1
SIF2
OP2
TOP
SDA
SCL
SIOMAD
OUT2
OUT1
GND
IN/GND
IN
Y
E
VCC
GND
Z
TV_CVBS
2
R152
47K
R146
12K
C130
0.01U
C102
100U
6V3
C122 0.1U
L103
120R
RF-AGC
R153
0R
B
C
E
Q106
BC847C
TUNER_5V
C140
0.1U
R148
0R
CVBS-OUT
CVBS0
C2
47U
6V3
C139
0.1U
C138
0.1U
C137
0.1U
R145
12K
1
4
5
3
2
U101
74LVC1G66GV
D110
LL4148
R132
NC/0R
C119
NC/0.01U
R147
NC/100K
C3
NC/0.01U
ATV-IF-AGC
5V-OUT
R12122K
ATV-IF-AGC
R149
NC\0R
NC\100R
R93
TUNER_SDA0
R138
220R
C101
100U
6V3
54321
X102
C120
1P5
R141
22K
R140
6K8
R139
6K8
R137
220K
R133
33R
R123
0R
R119
5K6
R116
100R
R115
100R
R114
22K
6K8
R113
R112
33R
R111
2K2
R110
2K2
R109
2K2
R108
5K6
R107
0R
R101
330R
R100
680K
R130
75R
R105
NC/2K2
TUNER_SCL0
TUNER_SCL0
TUNER_SDA0
B
C
E
Q103
C124ET
TUNER_SCL0_5V
TUNER_SDA0_5V
AV_5V
R828
10K
AV_5V
21
6
18
8 17
5
7
4
13
3 22
15
11
10
23
24
12
14
9 16
1
2
20
19
U100
TDA9886T
R118
NC
R135 4K7
R126
100R
OSDA0
OSCL0
NC\100R
R94
C100
1U
C110
0.22U
R104
NC\47R
R103
NC\1K5
B
C
E
Q101
NC\BC847C
R102
NC\180R
R106
NC\6K8
TUNER_SCL0_5V
TUNER_SDA0_5V
R128
0R
L107
120R
C127
0.1U
0.47U
C114
X100
4M
L101
0.56UH
R117
NC
C118
1000P
L106
0
R120
NC
L100
1UH
D102
BA982
D101
BA982
C125
22P
IF_AGC
R127
100R
TUNER_SDA0_5V
C124
22P
FAT_IN+
FAT_IN-
C128
1000P
C106
1000P
C105
1000P
C117 0.47U
C116
0.01U
R124
100R
R125
100R
C113
0.01U
C109
0.01U
C108
0.01U
C104
0.01U
C123
0.01U
L102
120R
TUNER_SCL0_5V
TUNER_5V
54321
X101
21
1
2
18
6
11
14
12
15
3
4
5
13
19
16
17
20
Z100
R131
0R
C121
47P
R129
75R
C132
0.01U
C131
0.01U
TUNER_5V
TUNER_5V
5V-OUT
C115
0.1U
5V-OUT
5V-OUT
D103
BA982
D100
BA592
B
C
E
Q102
BC847C
B
C
E
Q100
BC847C
C112
20P
C111
1500P
C107
390P
L108
30R
SIFN
SIFP
GND_TUNER
SIF
DV33
Q105
2N7002
AV_5V
R829
10K
DV33
Q104
2N7002
TUNER_5V
RF-AGC
MT5133-GPIO-AD
C129
0.1U

Table of Contents

Related product manuals