EasyManua.ls Logo

THOMSON 32E92NH22 - Page 77

THOMSON 32E92NH22
89 pages
Print Icon
To Next Page IconTo Next Page
To Next Page IconTo Next Page
To Previous Page IconTo Previous Page
To Previous Page IconTo Previous Page
Loading...
for TCL TQP
DGND
DGND
DGND
DGND
DGND
DGND
DGND
DGND
DGND
P3[2]
P2[4]
P2[0]
P3[0]
P2[1]
P2[5]
VSS1
P1[0]
P1[2]
P1[4]
P1[6]
XRES
P3[1]
P1[7]
P2[6]
P0[0]
P0[2]
P0[4]
P0[6]
P0[5]
P0[3]
VSS2
P0[1]
P2[7]
P1[5]
P1[3]
P1[1]
P2[3]
P3[3]
P2[2]
VDD
P0[7]
T
WHITE
WHITE
WHITE
WHITE
WHITE
WHITE
Z1
C1
5600P
R829
10K
R837
6K8
R833
1K
R834
390R
R836
3K9
R835
2K4
R832
1K5
D806
4148/0R
19
22
20
18
5
3
12
13
14
15
16
17
7
8
23
24
25
26
27
30
31
32
1
2
9
10
11
4
6
21
28
29
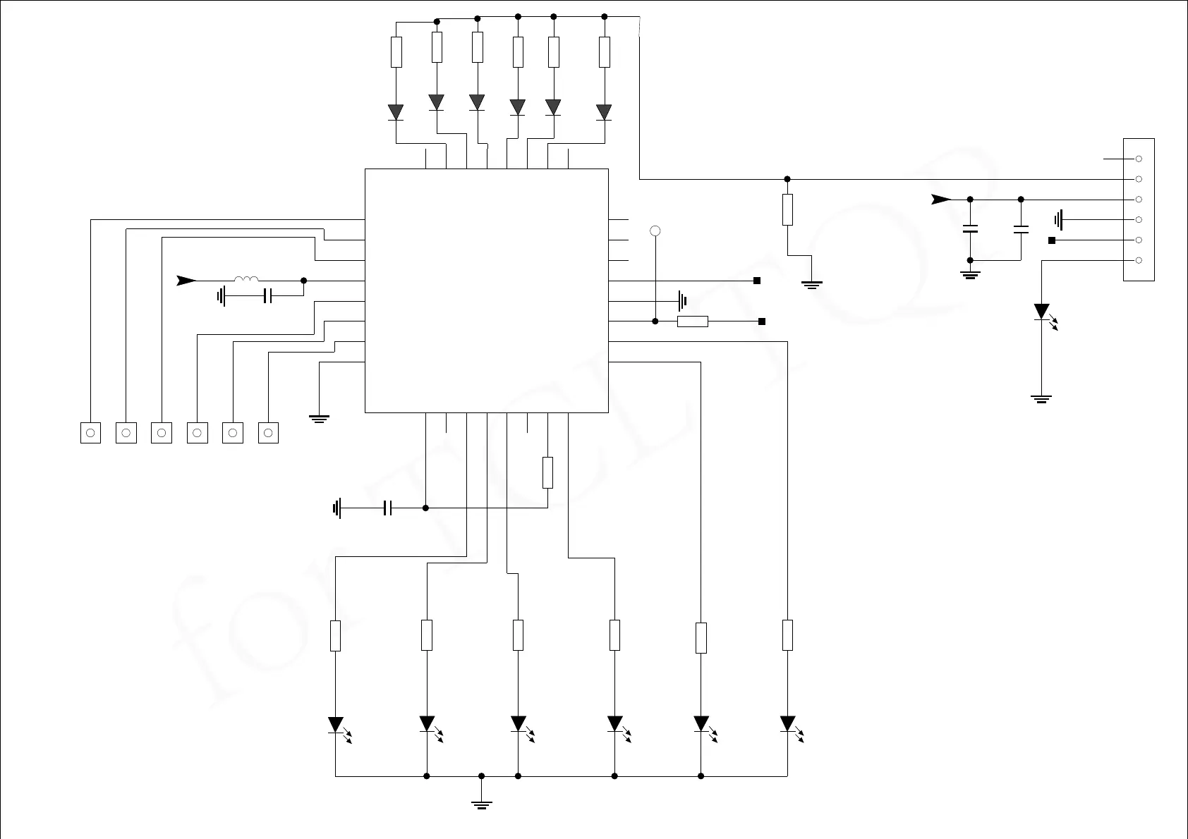
U801
CY8C21434
D801
4148/0R
D802
4148/0R
D803
4148/0R
D804
4148/0R
D805
4148/0R
R804 0R/NC
R830
NC/15K
D1
LED804
LED805
LED806
LED807
LED808
LED803
1
2
3
4
5
6
P801
CH-
VOL+
CH+VOL-POWER
C805
2U2
C802
0.47U
R824 200R
R825 200R
MENU
5VSB
R822
200R
CH+CH-VOL+VOL-POWER
C803
0.1U
FB801
120R
5VSB
R826 200R
R827
200R
R828
200R
SDA
LED-R
LED-R
SDA
MENU
KEY

Table of Contents

Related product manuals