EasyManua.ls Logo

THOMSON ALTIMA 3000 - Page 13

THOMSON ALTIMA 3000
28 pages
Print Icon
To Next Page IconTo Next Page
To Next Page IconTo Next Page
To Previous Page IconTo Previous Page
To Previous Page IconTo Previous Page
Loading...
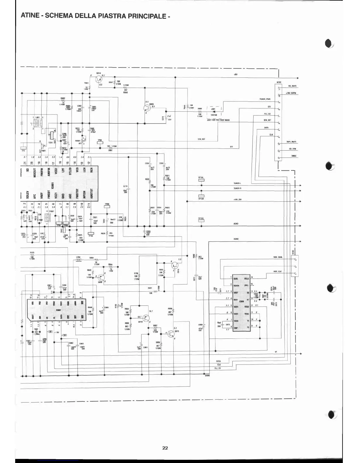
ATINE
.
SCHEMA
DELLA
PIASTRA
PRINCIPALE
-
a,
--t
i*===s5gEEÊ
E
E-C
; *
F
Ê E
3 Ë
'
t*t
I I
E
ElûdEgEE

Other manuals for THOMSON ALTIMA 3000

Related product manuals