EasyManua.ls Logo

THOMSON VTCD 200 - Page 6

THOMSON VTCD 200
12 pages
Print Icon
To Next Page IconTo Next Page
To Next Page IconTo Next Page
To Previous Page IconTo Previous Page
To Previous Page IconTo Previous Page
Loading...
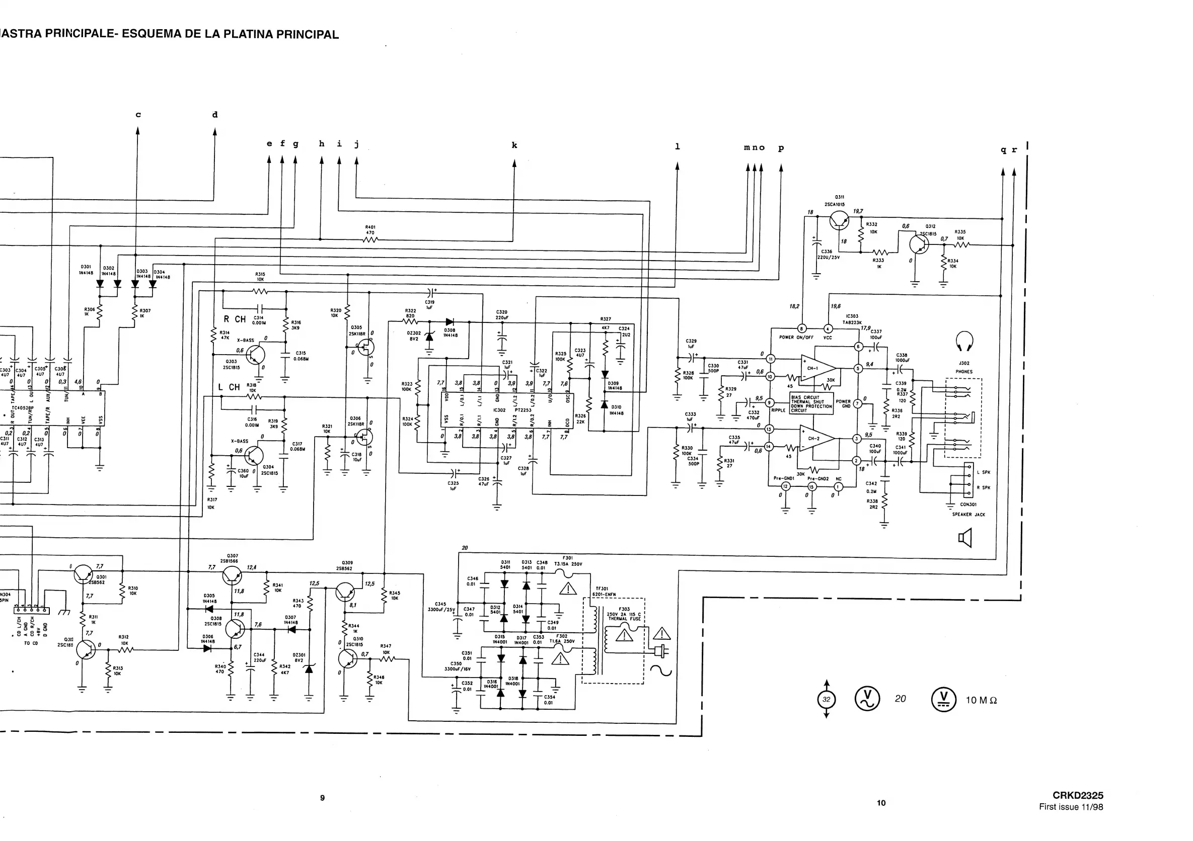
ASTRA
PRINCIPALE-
ESQUEMA
DE
LA
PLATINA
PRINCIPAL
Cc
d
e
e
r
|
e
f
g
h
i
j
k
1
mno
p
q
Q31
2SCA1015
re
tt
,
R401
470
aa,
C336
oe
20/28
0301
in
ae
tnaias
{|
|
18,2
iC303
aa
TA8B223K
R
CH
0.001M
4K7
17,9.
6339
0308
100uF
a
02302
1N4148
C329
/
47K
ps
0
\uF
Fi
C338
C330
f
500P
+
PHONES
<
v5
st
t
2SC1815
ee
pee
aloe
ee
CE
i
C303"
le304*
|
C30
C30
100K
Casi
4u7
|
4u7
4U7
4u7
=
D309
0.2u
1
0
0
O|
0,3|
46
L
CH
R318
IN4148
R337
=
=
=
Q
10K
120
1
ud
2
»
2
A
8
©)
R336
=
a
.
.
oak
C333
2R2
:
TC40528P
a
3
$
Py
C316
;
y
°
3
z
o
cow
un
R319
-
=
c
eo
z
$
$
0.00IM
3x9
3)
9,5
R339
|
.
:
C335
(3)
120
0,2
0,2
0
0
47uF
+
C340
4
'
(14)
c3
C3
|
c312
|
c313
X-BASS
100uF
1000uF
0,6
1
pee,
ee
age,
emt
Ss
re
ee
ae
ee
|
oe
ee)
ee
a
i
*
R331
-
ae
L
SPK
oe
Q304
30
0.2u
R338
CONSO1
2R2
=
|
a
=
SPEAKER
JACK
F301
0307
0313
2SB1566
0309
ar
aie
aoe
T3.15A
250V
258562
:
C346
|
0.01
TF301
R545
S201-ENFN
anawea
a
SE
|
SE
met
er!
N304
10K
1N4148
C345
'
5
PIN
D312
F303
3300uF
/25y
|
C347
5401
250v
2a
115
¢
!
0.01
THERMAL
FUSE
|
Q308
2SC1815
R344
'
|
1K
'
/
|
\
=
0315
317,
C353
F302
VAN
1
.
0306
ray
Q310
.
1N4001
weoo!
0.01
‘THEA
250V
,
!
1N4148
9
|
asciais
R347
6,7
5
10K
C351
1
344
02301
N37
0.01
1
.
220uF
8V2
wy
C350
'
0
R340
R342
3300uF
/16V
;
R313
470
4K7
0
H
®
10K
R346
'
0318
‘ip
10K
+}
©5352
|
O35
|
nao
0.01
20
1TOMQ
CRKD2325
9
:
10
First
issue
11/98

Related product manuals