EasyManua.ls Logo

Thorn security TYCO T1216W-C - Page 36

Default Icon
39 pages
Print Icon
To Next Page IconTo Next Page
To Next Page IconTo Next Page
To Previous Page IconTo Previous Page
To Previous Page IconTo Previous Page
Loading...
T1216W-C
MARINEW-P-I
1 11/12
PAGE 36 of 39
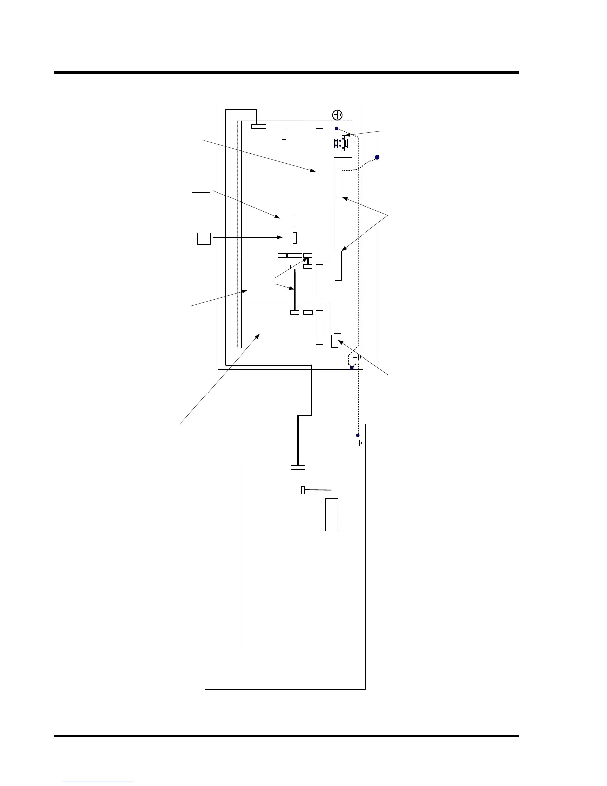
C1628 Display Board
PP3 battery
J4
J1
Earth
Wiring
Ribbon
Cable
Internal view of door
Internal view of
enclosure backbox
Battery &
Thermistor
Terminals
Field Wiring
Terminals
C1634 Relay O/P module
[address 2] zonal outputs 9-14
to Watermist panel
C1634 Relay O/P module
[address 1] zonal outputs 1-8
to Watermist panel
Gland Plate
Earth Wiring
Screen Earth
Terminal Blocks
Incoming Supply
Terminal Block & Fuse
J2
J1
J4
J9
J17J2
J3
J2
J3
C1627
motherboard
C1630 O/P
expansion
Interface
Optional C1631
Repeater
Interface
Ribbon
Cables
Figure 18 T1216W-C Internal Layout Diagram