EasyManua.ls Logo

Thorn security TYCO T1216W-C - Page 37

Default Icon
39 pages
Print Icon
To Next Page IconTo Next Page
To Next Page IconTo Next Page
To Previous Page IconTo Previous Page
To Previous Page IconTo Previous Page
Loading...
EQUIPMENT: T1216W-C
PUBLICATION: MARINEW-P-I
ISSUE No. & DATE: 1 11/12
© 2012 Thorn Security Ltd PAGE 37 of 39
Registered Company: Thorn Security Ltd. Registered Office: Dunhams Lane Letchworth Garden City Hertfordshire SG6 1BE
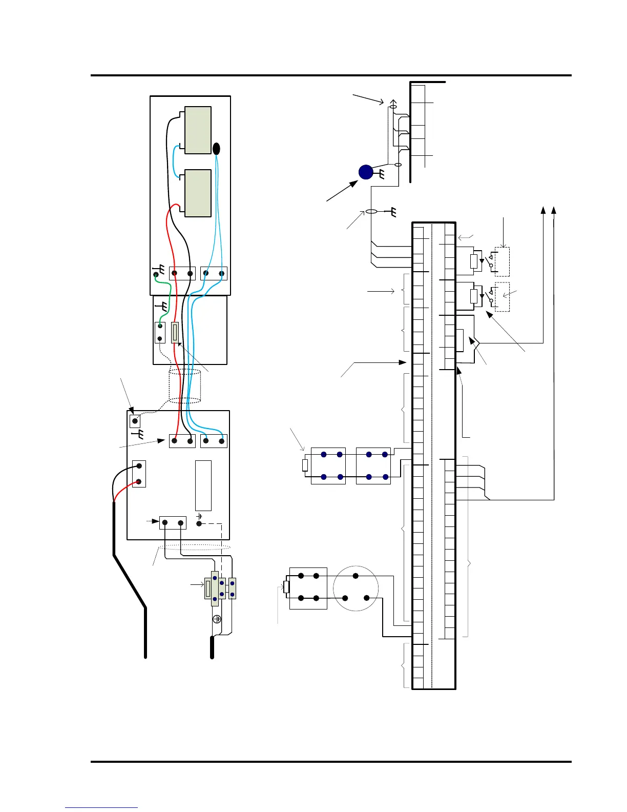
Battery leads supplied
in panel fixing kit
Tie wrap Thermistor to
battery lead above battery
Batt -
Thermistor
+ - + -
Battery Battery
Batt +
T1200B-C Battery Box
Thermistor
Close-coupled
Junction box
(not supplied)
4-core
cable with
Shield
T6.3A HRC
FUSE
Earth Stud
1 3
1A
3A
Zone O/Ps
1 2 3 4
Zone Circuits
Zone Circuits
Alarm Circuits
Aux DC
Inputs Outputs
A
B
Fault
Routing
Aux DC
Fire Routing
Fire
Protection
N/C
RST
GND
Repeater
BAct
EvacDis
Cl/C
RSTEvac
Sil
0V
24V4 -4 +3 +2 +1 + 3 -2 -1 -8
-
8 +7
-
6
-
5 -4 -
3 -
2 -
1 -
1 + 2 +
3 +
4 +
5
+
6 + 7 +
RST
N/OPO/-PC/+O/-
PC/+
C/-
PO/+
0V
24V9 +
10 + 11 +
12 + 13 +
14 + 15 +
16 +
16 -9 - 10 - 11 - 12 - 13 - 14 - 15 -
+
+
-
-
+
+
-
-
L1
L2
L
C1627wiring
terminals
+ -
B
A
GND
A
B
N/C
RST
GND
Repeater
B
A
GND
10k
end-of-line
resistor
Typical Zone Wiring
Zone 1
Typical Alarm
Circuit Wiring
Alarm Circuit 1
Open collector zone O/Ps
[zones 1 to 4]
each 50mA, 30Vdc max.
Connect return to Aux 24V
Zones 2-8
10k end of line
resistor
Zones 9-16
10k end of line resistor
Field wiring terminals on panel PCB
Detector
base
Manual
Call Point
Sounder
3k9
end-of-line
resistor
Aux 24Vdc
supply
See note 2
Aux 24Vdc
supply
See note 2
Alarm Circuits 2-4
Max O/P 1 Amp
each.
3k9 end of line
resistor
Remote O/Ps
See Note 5
Remote I/Ps
See Note 4
Remote Relays
See Note 3
Fire, Fault
Signalling & Fire
Protection outputs
See Note 6
Fire panel
screen earth
terminal block
Fault Signal to Watermist panel
Zones 15 & 16 to Watermist Panel
Remote
indicating
equipment
Remote fire
protection
equipment
Reset relay
Contact rating:
1A at 30Vdc
Repeater
terminals in
optional
Repeater panel
5 x repeaters max
To Repeater A, B & GND
terminals in next repeater.
Screen is Earthed at Panel &
repeaters
Link Screen
Through
Earth Stud in
Repeater
L
E
N
Ship's supply in
[110/230VAc 50Hz]
Direct or via AC
change over unit
Mains fuse
Mains terminal block
on panel chassis
Batt +
Batt -
Thermistor
L
N
Pre-wired
Power Supply
Unit terminals
Battery & Thermistor
terminals
On Chassis
Panel PSU
Connections
24V
0V
24Vdc Output
On Motherboard
24Vdc Output to AC
change over unit
Earth Bar
T1216W-C Panel
Figure 19 T1216W-C Motherboard, PSU & Repeater Wiring Diagram