EasyManua.ls Logo

THUNDER TIGER Bush Master - Page 20

THUNDER TIGER Bush Master
40 pages
Print Icon
To Next Page IconTo Next Page
To Next Page IconTo Next Page
To Previous Page IconTo Previous Page
To Previous Page IconTo Previous Page
Loading...
1
2
1
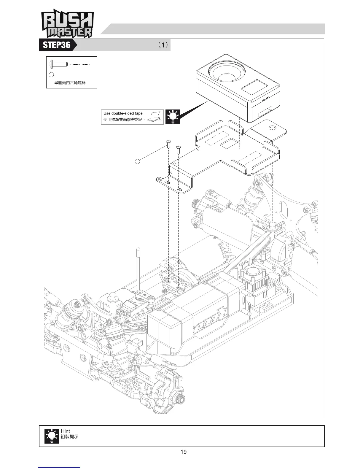
3 x 10 mm
BHCS Screw
Engine Sound Box 發聲器

Related product manuals