EasyManua.ls Logo

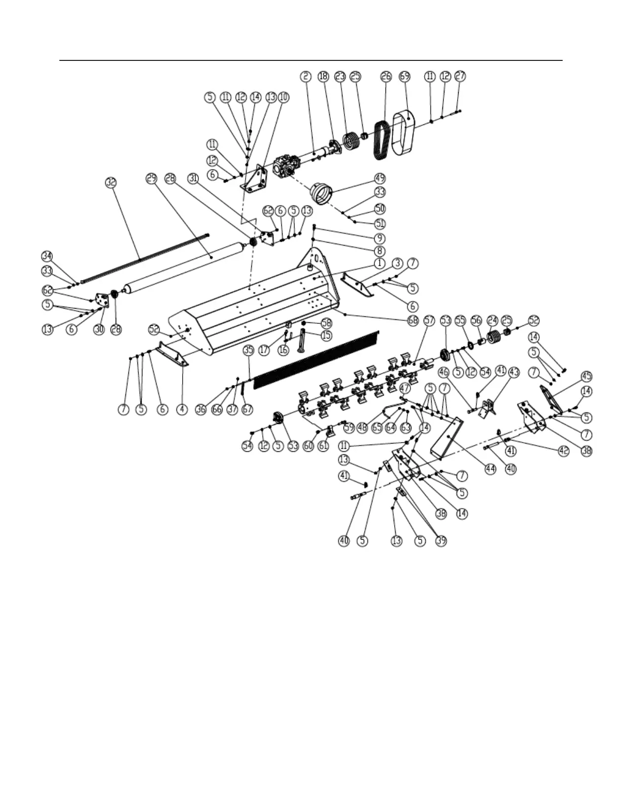
Titan Attachments 155FLAIL - FLAIL SERIES MOWER PARTS DIAGRAM;EXPLODED VIEW

Titan Attachments 155FLAIL
24 pages
Print Icon
To Next Page IconTo Next Page
To Next Page IconTo Next Page
To Previous Page IconTo Previous Page
To Previous Page IconTo Previous Page
Loading...
19
FLAIL SERIES MOWER PARTS DIAGRAM/EXPLODED VIEW

Related product manuals