EasyManua.ls Logo

Toa VX-3008F - Input Equipment Connections

Toa VX-3008F
162 pages
Print Icon
To Next Page IconTo Next Page
To Next Page IconTo Next Page
To Previous Page IconTo Previous Page
To Previous Page IconTo Previous Page
Loading...
3-59
Chapter 3
INSTALLATION AND SETTING PROCEDURES (HARDWARE)
8.3. Input Equipment Connections
8.3.1. Connecting the Remote microphone
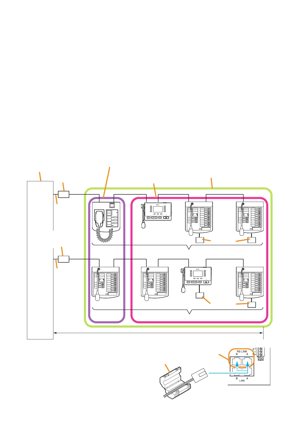
The VX-3000F is equipped with 2 channels of RS Links. Connect the remote microphone to one of these
ports.
The number of connectable units is limited as follows.
(1) Up to 8 RM-200SF, RM-300X, or RM-500 units can be connected to a single VX-3000F.
(2) Up to 4 RM-200SF, RM-300X, or RM-500 units can be connected to a RS Link.
However, the VX-3000F can supply power to up to 2 units. An AC adapter is required for the RM-200SF,
RM-300X, or RM-500 to be connected exceeding 2 units.
(3) The maximum cable length from each RS link is 1200 m.
(4) If the system is required to comply with EN54-16, observe the following restrictions.
Out of 8 connectable remote microphones, the number of the connectable RM-200SF units or RM-300X
units for emergency broadcasts is up to 2 in total, and 1 to a single channel of RS link.
When connecting the RM-200SF or the RM-300X for emergency use directly to each VX-3000F's RS
link, make its distance shortest compared to other remote microphones.
Note
When connecting the RM-500 to the RS LINK terminal to which the RM-200SF or the RM-300X is connected,
the ID number “7” of the RM-500 cannot be used.
In this case, set the RM-500's ID number to between 0 and 6.
(3) Max. 1200 m
RS LINK A
MAX. 1 A
RS LINK B
MAX. 1 A
AC adapter
AC adapter
VX-3000F
Ferrite cable clamp*
(sullpied with the
VX-3000F)
CAT5-STP
RM-200SF, RM-300X for emergency broadcasts,
RM-300X for general broadcasts, or RM-500 placeable
RM-300X for general broadcasts
or RM-500 placeable
(1) Up to 8 units connectable to
the VX-3000F (RS LINK A + RS LINK B)
(2) Up to 4 units connectable to the RS LINK A
(2) Up to 4 units connectable to the RS LINK B
CAT5-STP
Ferrite cable clamp*
(sullpied with the
VX-3000F)
(4)
(4)
* Ferrite Cable Clamp Attachment
To reduce electromagnetic noise, place
the supplied ferrite cable clamp over the
Shielded Category 5 twisted pair cable
(CAT5-STP) at a position within 20 cm
(7.87") from the VX-3000F's RS link
connectors.
RS link connectors
VX-3000F
Ferrite cable clamp
(supplied with the VX-3000F)

Table of Contents

Related product manuals