EasyManua.ls Logo

Toa VX-3016F - Page 104

Toa VX-3016F
162 pages
Print Icon
To Next Page IconTo Next Page
To Next Page IconTo Next Page
To Previous Page IconTo Previous Page
To Previous Page IconTo Previous Page
Loading...
3-64
Chapter 3
INSTALLATION AND SETTING PROCEDURES (HARDWARE)
8
7
6
5
4
3
2
1
TERMINATION
CPU OFF
LEVEL METER
COMMUNICATION
UNIT ID
OnOff
DIP SWITCH
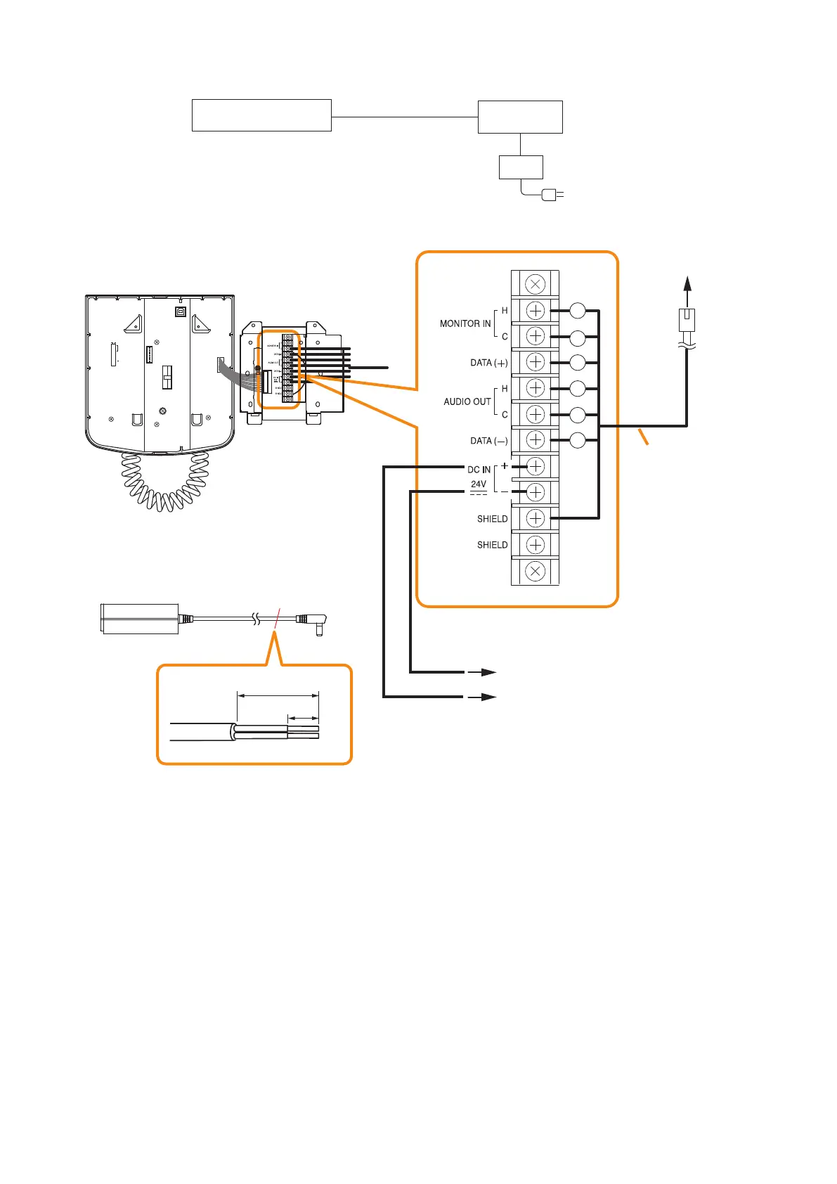
RM-200SF rear
9 mm
25 mm
(+)
(–)
1
2
3
4
5
6
AC adapter AD-246 or equivalent unit
AC adapter AD-246
Cut off the DC plug of the AD-246 AC Adapter,
and treat the tip of cable as follows.
(Use when no back up power supply
is required.)
(–)
(+)
Cut off
Connection cable
(with RJ45 connectors)
To VX-3000F RS LINK A
or RS LINK B connector
Terminal block
Usable AC adapter: 24 V DC/over 200 mA
(Operation range: 14 – 28 V DC)
When a STP category 5 straight cable or over 4-pair shielded CPEV cable is used as communication cable
(excluding power line) between the RM-200SF and the VX-3000F, the maximum cable distance in a system is
1200 m in total.
[When power is supplied from the AC adapter]
VX-3000F
RM-200SF
AC adapter

Table of Contents

Related product manuals