EasyManua.ls Logo

TorcUP EP1000 - Reservoir (EP1000); EP1000 Reservoir Parts

TorcUP EP1000
38 pages
Print Icon
To Next Page IconTo Next Page
To Next Page IconTo Next Page
To Previous Page IconTo Previous Page
To Previous Page IconTo Previous Page
Loading...
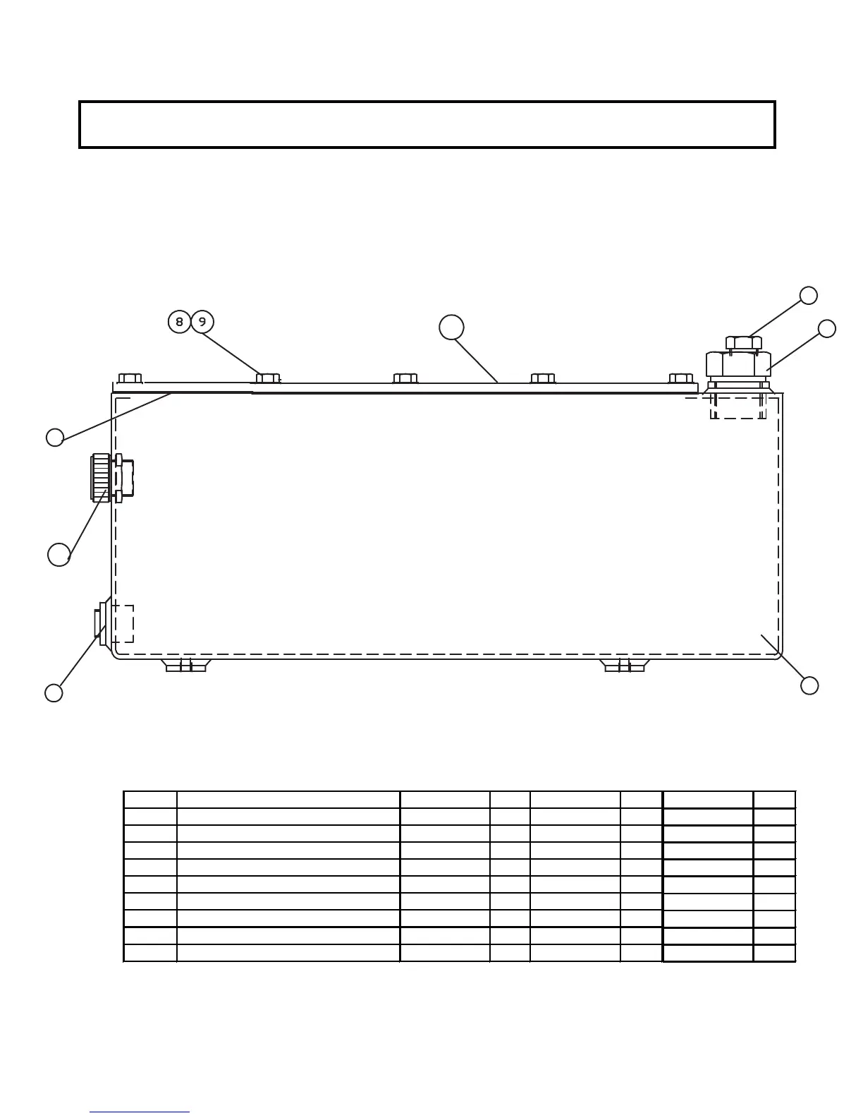
RESERVOIR
(DS1328025) 1.5 GALLON RESERVIOR
(45996P) 1.5 GALLON RESERVIOR
4
3
5
7
6
52
NOTE: ALL RESERVOIRS ARE POWDER COATED BLACK
NOTE: THIS ILLUSTRATION IS FOR REFERENCE ONLY.
THE APPEARANCE OF YOUR UNIT MAY DIFFER
FROM UNIT SHOWN.
1.5 GALLON RESERVOIR
ITEM # DESCRIPTION 1.0 GALLON QTY. 1.5 GALLON QTY.
03 RESERVOIR DS1328025 1 .00 4 5995 1 .00
04 RESERVOIR GASKET 43565 1.00 85469 1.00
05 BREATHER VENT 3/8" NPT 68000 1.00 46348 1.00
06 1/4 SOC PIPE PLUG 93950 1.00 93950 1.00
07 SAE #12 HEX PLUG WITH PORT N/A 0.00 46118 1.00
08 HHCS 1/4-20 x 3/4 LG PLATED 65891 9.00 65891 14.00
09 SEALING WASHER 65892 9.00 65892 14.00
52 SIGHT GAUGE 46009 1.00 46009 1.00
73 COVER PLATE 46350 1.00 45928 1.00
(46213P) 2.5 GALLON RESERVIOR
73
2.5 GALLON QTY.
46213P 1.00
85469 1.00
46348 1.00
93950 1.00
46118 1.00
65891 14.00
65892 14.00
46009 1.00
45928 1.00
EP1000
(46109P) 1.0 GALLON RESERVOIR
(45996P) 1.5 GALLON RESERVOIR
(46213P) 2.5 GALLON RESERVOIR
23/37

Other manuals for TorcUP EP1000

Related product manuals