EasyManua.ls Logo

TorcUP EP1000 - Common Components (EP500)

TorcUP EP1000
38 pages
Print Icon
To Next Page IconTo Next Page
To Next Page IconTo Next Page
To Previous Page IconTo Previous Page
To Previous Page IconTo Previous Page
Loading...
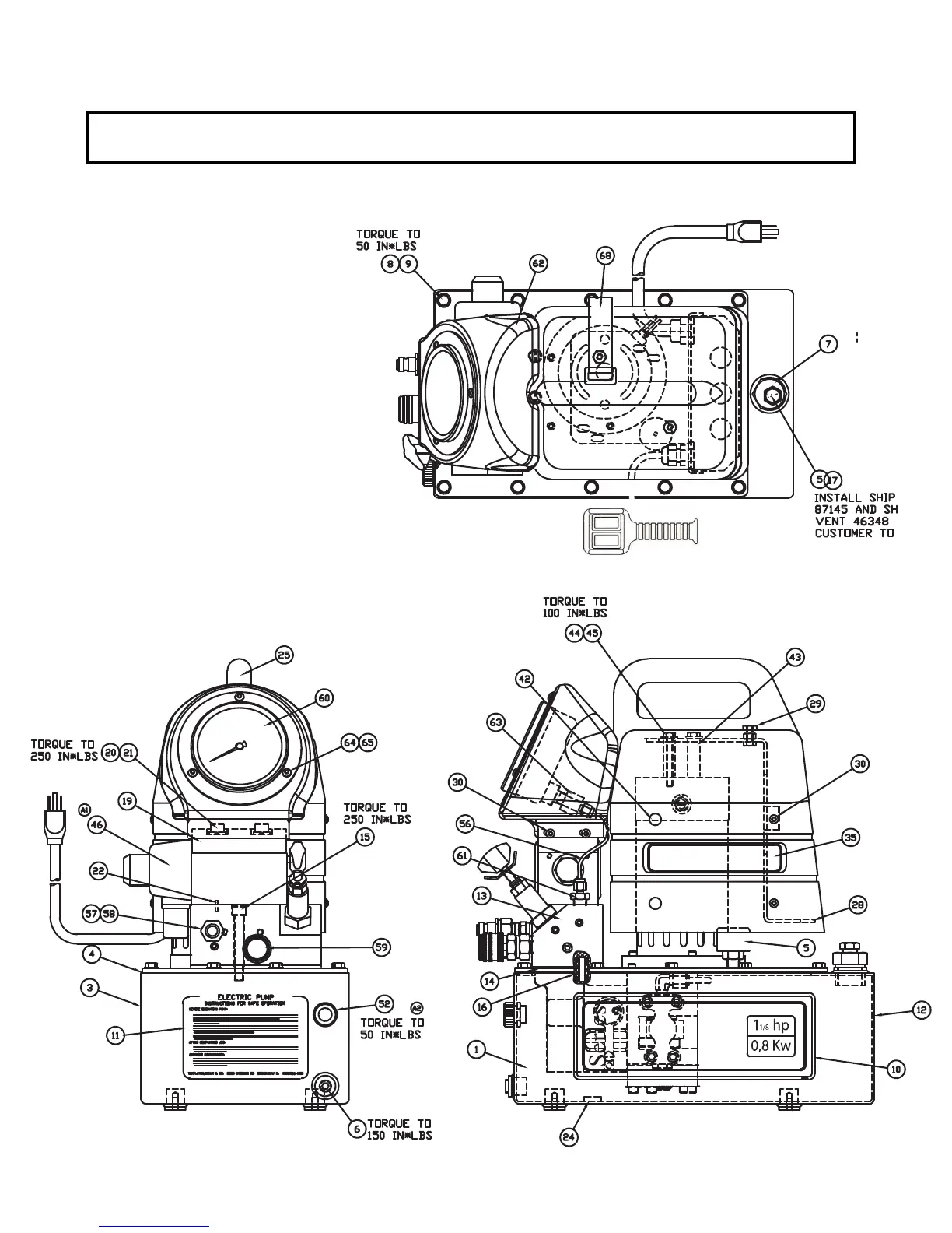
NOTE: This illustration is for reference
only. The appearance of your unit
COMMON COMPONENTS
EP500
24/37

Other manuals for TorcUP EP1000

Related product manuals