EasyManua.ls Logo

Toro 30449 - Page 72

Toro 30449
76 pages
Print Icon
To Next Page IconTo Next Page
To Next Page IconTo Next Page
To Previous Page IconTo Previous Page
To Previous Page IconTo Previous Page
Loading...
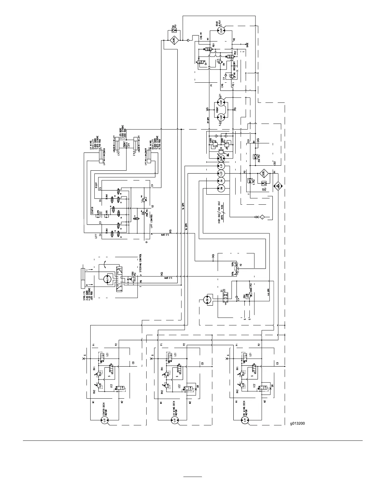
HydraulicSchematic(Rev.B)
72

Table of Contents

Other manuals for Toro 30449

Related product manuals