EasyManua.ls Logo

Toro 30609 - Page 112

Toro 30609
374 pages
Print Icon
To Next Page IconTo Next Page
To Next Page IconTo Next Page
To Previous Page IconTo Previous Page
To Previous Page IconTo Previous Page
Loading...
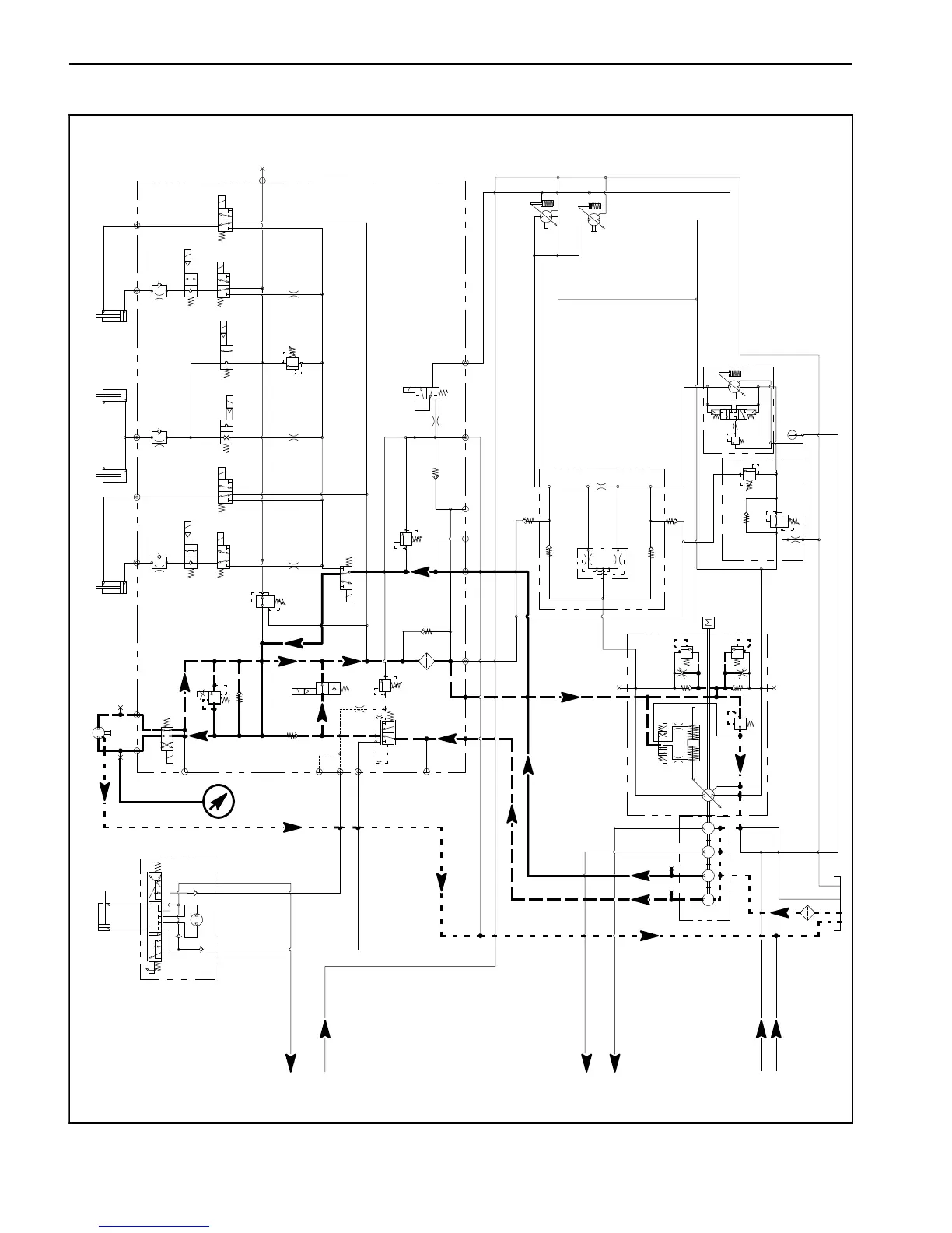
Groundsmaster 4000--D/4010--DHydraulic System Page 4 -- 66
Engine Cooling Fan Circuit (Using Pressure Gauge and Phototac)
S10
RV1
CV1
S2
S4
S5
PRV
P4 CH2 P3
EC
CF
LS
S3
OR1
C3
OR4
.040
S6
OR5
.070
C4 C2 C5
RV2
1600 PSI
S7
S9
S8
C6
M1
M2
CH1
CV3
CH4
OR2
.063
OR6
.063
OR3
.070
OR7
.070
T 2SPCH3
G2
G4
CV4
PR
G1
G3
3250
PSI
1350
PSI
3.3 GPM
4.4 GPM
14.3 GPM
4 PSI
4 PSI
.030
OR9
S1
3300 PSI
RV3
S12
14.3 GPM
S11
CV2
4PSI
6.1 CID
EP
LR
T
STEERING
CYLINDER
0.51 CID
1.125” ROD
P1
16.8 GPM
13.7 GPM
PR
380 PSI
RV
650 PSI
.050
CV
T
P2
M8
CH
OR1
250 PSI
2.14 CID /
1.16 CID
.030”
200 PSI
4350 PSI
5000 PSI
M1
OR
M3
CH1
FRONT
CH2
.063
CV1
CV2
HFD
.0315
.0315
0.4
CID
0.3 1.29 1.29
CID CID CID
2.75
CID
Split
55--45
REAR
TRACTION
MANIFOLD
ENGINE
30.5
GPM
1.2 CID /
0.64 CID
1.2 CID /
0.64 CID
80
PSI
60
PSI
310
PSI
2.50” BORE
6.50” STROKE
1.50” BORE
3.08” STROKE
RAM CYLINDERS
CENTER DECK
1.125” ROD
2.50” BORE
6.50” STROKE
2.00” BORE
4.20” STROKE
0.625” ROD
GG
G
GG
G
COMBINATION MANIFOLD
STEERING
CONTROL
VALVE
TRACTION
MANIFOLD
RIGHT DECK
LEFT DECK
FROM
PTO MANIFOLD
CENTER DECK
TO
PTO MANIFOLD
CENTER DECK
TO
PTO MANIFOLD
LEFT DECK
TO
PTO MANIFOLD
CENTER DECK
FROM
OIL FIL TER
FROM LEFT AND
PTO MANIFOLDS
RIGHT DECK
PRESSURE
GAUGE

Table of Contents

Other manuals for Toro 30609

Related product manuals