EasyManua.ls Logo

Toro 72048 - Wiring Diagram

Toro 72048
44 pages
Print Icon
To Next Page IconTo Next Page
To Next Page IconTo Next Page
To Previous Page IconTo Previous Page
To Previous Page IconTo Previous Page
Loading...
Maintenance
36
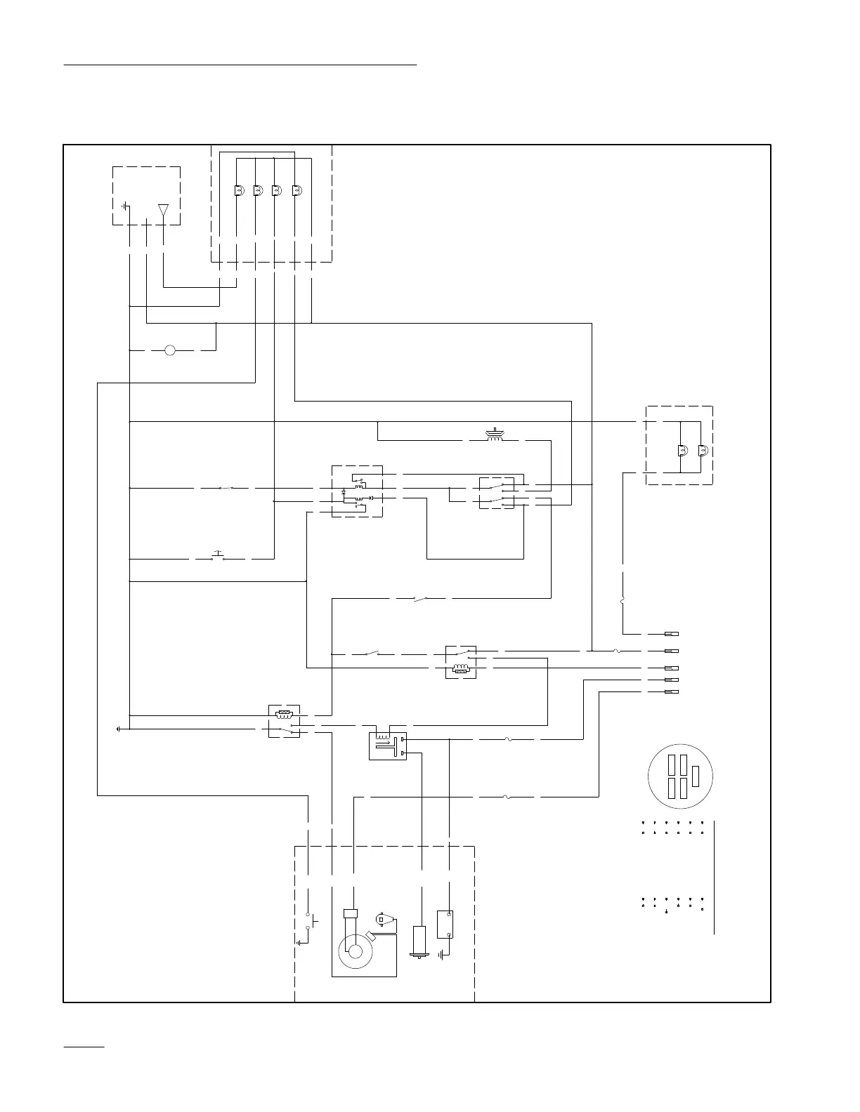
Wiring Diagram

 %"
$"
& $
 !"$ "

$$"($ %

!
$$"( !
" "
 
"

!
 
!

&""
!
!
!$
'"$"##
! !
' '
$ $
%$
"
 %
#'
#$#'$
#'
"#'$

$" "(
(
(

$
(
$
'
$ 
%!
"&"##'$
#'
( &""
#'
$



#
$"##
$ #'$
  $ 
"%$#"
"%"
#$"$"#
#'
! " "
"
("




!$ #'$
#'
!$ 
%$
!
" 
!
% %

 
'! (
"
"


"
$ #'$$"
 $ #&'" 


"
"(

" '
%
"
#
"
'"  " #
$
"
!
& $
'$
( '
&
&
!
$
"
%



(
'
"
(
&
&
"
"

#  

#!"!%
#$"$"
#$"$
$ 
 %


"


!"##%"
#'$
"(


&
'(


'
"
"


Related product manuals