EasyManua.ls Logo

Toro 72201 - Wiring Schematic

Toro 72201
40 pages
Print Icon
To Next Page IconTo Next Page
To Next Page IconTo Next Page
To Previous Page IconTo Previous Page
To Previous Page IconTo Previous Page
Loading...
34
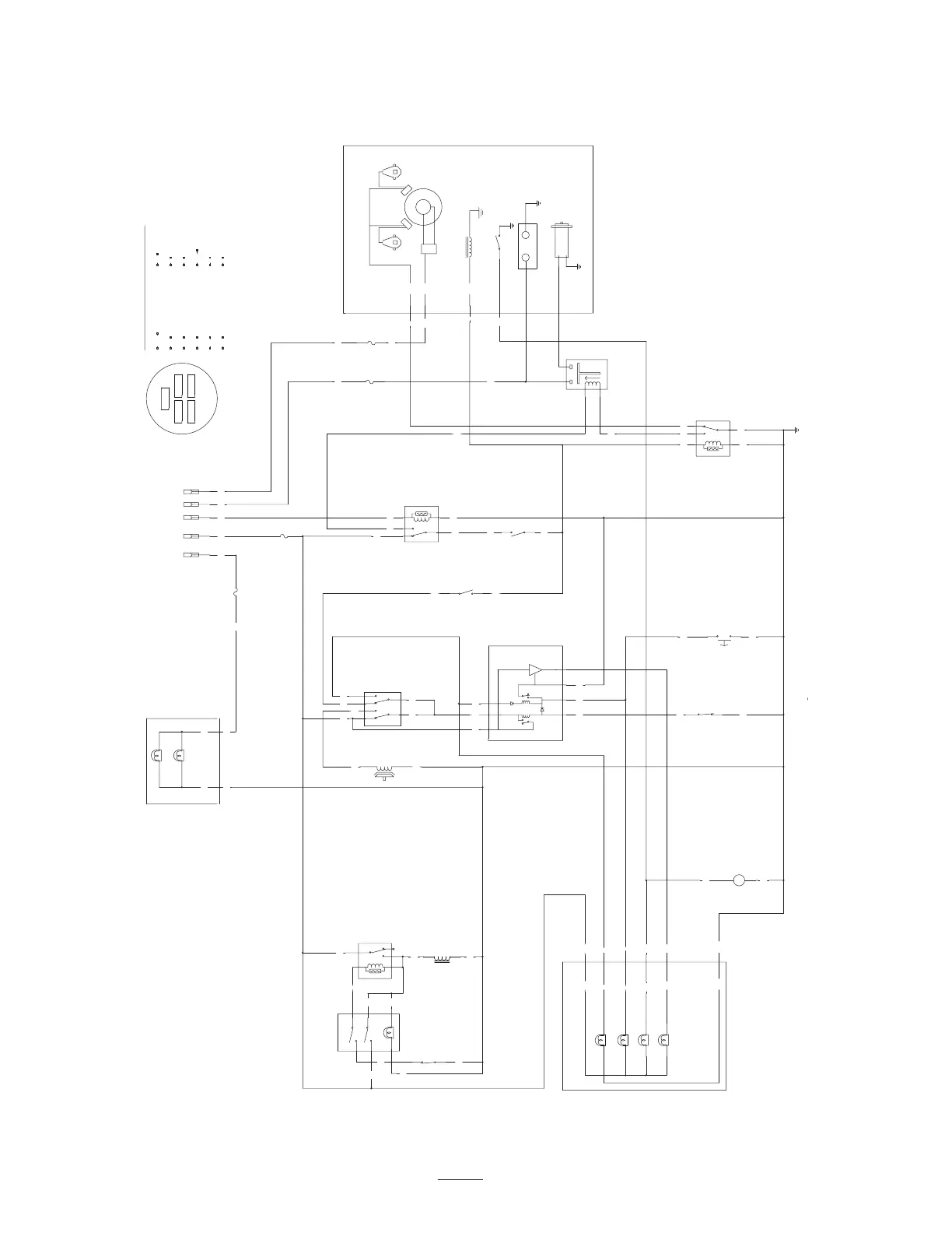
Wiring Schematic
(Model 72201)
Y
W
T
OR
W
3
S
L
B
Y
OR
T
4
4
L
Y
T
T
1
S
PK
1
2
PK
BLK
E
D
PK
GN
BLUE
BU
BN
VIOLET
TAN
OIL
PTO
8
T
GN
OR
7
BU
BU
GN
OR
C
B
W
T
A
BLK
BU
PK
GN
BLK
BN
BLK
PK BU
PK
W
GY
BLK
T
OR
GY
SW1
(SEAT SWITCH)
PK
PKOR
BN
VIOBN R
SW4
Y
GND
BLK
WGN
GN
I
R
R
GN
W
VIO
VIO
VIO
GY
OR
GREY
BLACK
BLK
WHITE
YELLOW
RED
PINK
BLK
F
BLK
BLK
GN
GN
BU
BLK
BU
Y
10A
F4
3
I
10A
F3
BLK
2
R
5
B
OR
30A
F1
R
25A
F2
Oil Switch
BLK
#194 LAMP
#194 LAMP
#194 LAMP
WARNING LIGHT HARNESS
417XT HYDRO
GREEN
VIO
T
R
#194 LAMPBATTERY
OVER RIDE
BLK
SWITCH OPENS WHEN
BRAKE IS DEPRESSED
SW2B
(CRUISE DISENGAGE SWITCH)
CRUISE SWITCH
+
HOUR
METER
SWITCH CLOSES
WHEN KEY IS
TURNED
SWITCH OPENS WHEN
HYDRO PEDAL IS MOVED
TO REVERSE
BLK
1
2
5
4
7
8
(PTO SWITCH)
SW3
PTO
CLUTCH
PTO SWITCH IS
SHOWN IN OFF
POSITION
BN
BLK
SEAT SWITCH IS CLOSED
WHEN OPERATOR IS IN
THE SEAT
BRAKE SWITCH
CLOSES WHEN BRAKE
IS DEPRESSED
OR
OFF–––––––––––NO CONNECTION
RUN/LIGHTS––––––––––B I R L
RUN–––––––––––––––B I R
START––––––––––––––B I R S
(IGNITION SWITCH)
ORANGE
Y
W
BROWN
PK
CRUISE SWITCH OPERATION
OFF NO CONNECTION
ON 3 AND 2 CONNECTED
MOMENTARY 3 AND 2 CONNECTED 5 AND 6 CONNECTED
(KEY OVER RIDE)
SW6
2
3
5
4
1
K2
(INTERLOCK RELAY)
SW2A
(BRAKE SWITCH)
SOLENOID
WIRE COLOR CODES
2
3
5
(MOMENTARY)
6
SW7
(REVERSE SWITCH)
SW5
7
P1–1
P1–4P1–2
P1–5
P1–6
CLUTCH
NMIR
MODULE
P1–3 P2
VOLTAGE
COMPARATOR
HEADLIGHT HARNESS
+
STARTER
+
SWITCH OPENS WITH PRESSURE
CRUISE MAGNET
2
3
5
4
1
(CRUISE RELAY)
K3
IGNITION SWITCH TERMINAL
LOCATIONS VEIWED FROM BACK.
FUEL
REG
MAG
SPARK PLUG SPARK PLUG
IGNITION
MODULES
AC
AC
FUEL
SOLENOID
KAW TWIN
2
3
5
4
1
(KILL RELAY)
K1

Related product manuals