EasyManua.ls Logo

Toro 72201 - Wiring Schematic

Toro 72201
40 pages
Print Icon
To Next Page IconTo Next Page
To Next Page IconTo Next Page
To Previous Page IconTo Previous Page
To Previous Page IconTo Previous Page
Loading...
35
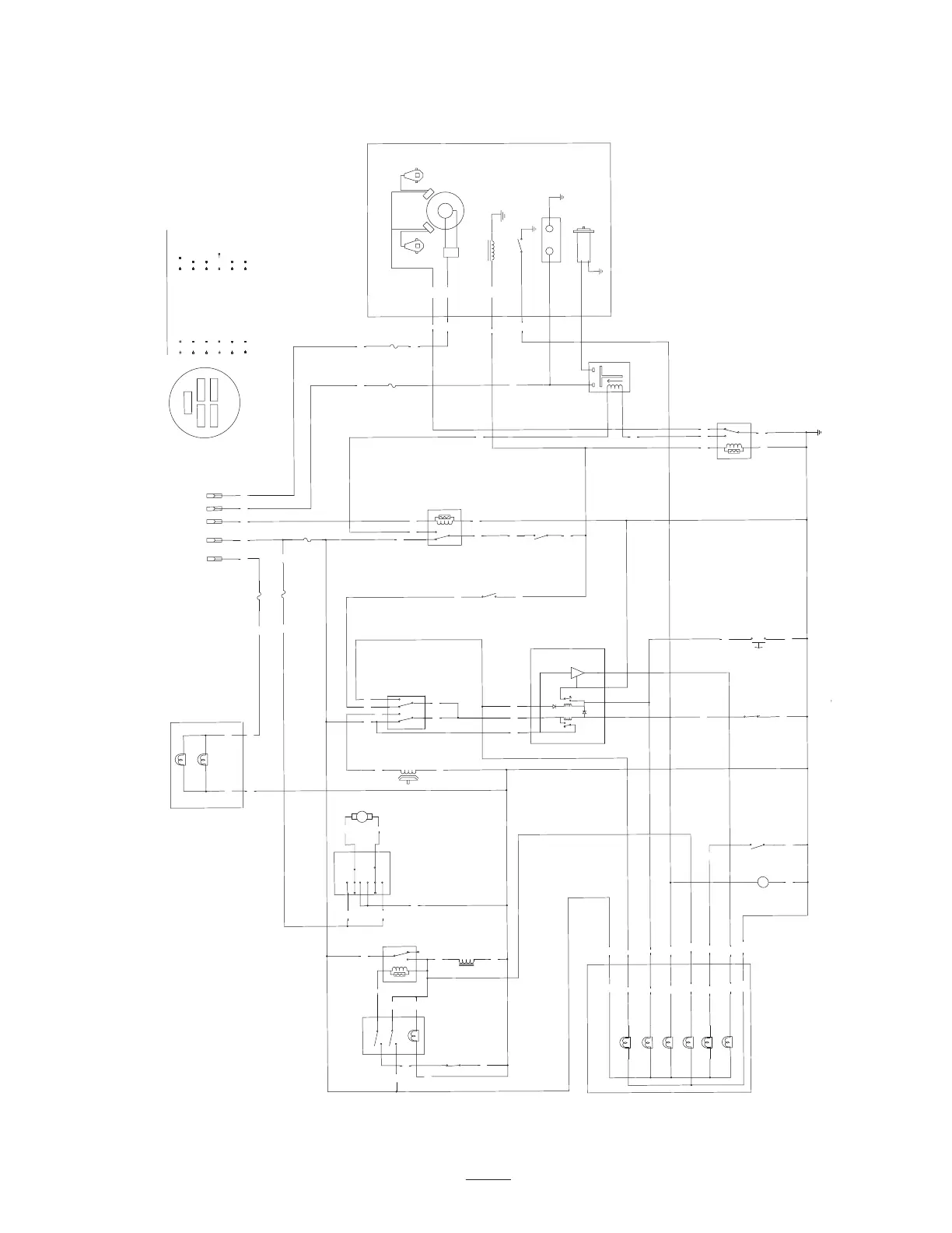
Wiring Schematic
(Model 72202)
Y
T
W
G
H
2
5
OR
W
3
S
L
B
OR
4
4
L
Y
T
T
1
S
PK
1
2
OR
GY
PK
BLK
OR
GY
D
PK
4
GY
PK
GN
BLUE
BU
BN
VIOLET
TAN
OIL
PTO
8
T
GN
BU
7
BU
BU
E
GN
BU
C
B
T
W
A
BLK
BU
PK
BLK
BU
BU
3
6
SW8
(LIFT SWITCH)
W
OR
LIFT
MOTOR
BLK
BN
BLK
PK GY
T
OR
GY
SW1
(SEAT SWITCH)
PK
PK
OR
BN
VIOBN R
SW4
Y
GND
BLK
WGN
GN
I
R
R
GN
Y
W
VIO
VIO
VIO
GY
OR
GREY
BLACK
BK
WHITE
YELLOW
RED
PINK
BLK
F
1
BLK
BLK
BK
PK BU
BU
W
BU
BLK
Y
10A
F4
3
I
10A
F3
BLK
2
R
5
B
OR
R
30A
F1
25A
F2
Oil Switch
BLK
#194 LAMP
#194 LAMP
#194 LAMP
WARNING LIGHT HARNESS
BU
GREEN
VIO
T
R
#194 LAMP
BATTERY
LOW FUEL
#194 LAMP
#194 LAMP
CRUISE
OVER RIDE
BLK
SWITCH OPENS WHEN
BRAKE IS DEPRESSED
SW2B
(CRUISE DISENGAGE SWITCH)
CRUISE SWITCH
+
HOUR
METER
SWITCH OPENS WHEN
HYDRO PEDAL IS MOVED
TO REVERSE
SWITCH CLOSES
WHEN KEY IS
TURNED
1
2
5
4
7
8
(PTO SWITCH)
SW3
PTO
CLUTCH
PTO SWITCH IS
SHOWN IN OFF
POSITION
BN
BLK
SEAT SWITCH IS CLOSED
WHEN OPERATOR IS IN
THE SEAT
BRAKE SWITCH
CLOSES WHEN BRAKE
IS DEPRESSED
OR
OFF–––––––––––NO CONNECTION
RUN/LIGHTS––––––––––B I R L
RUN–––––––––––––––B I R
START––––––––––––––B I R S
(IGNITION SWITCH)
ORANGE
Y
W
BROWN
PK
CRUISE SWITCH OPERATION
OFF NO CONNECTION
ON 3 AND 2 CONNECTED
MOMENTARY 3 AND 2 CONNECTED 5 AND 6 CONNECTED
(LOW FUEL)
SW9
BLK
(REVERSE SWITCH)
SW5
(KEY OVER RIDE)
SW6
BLK
2
3
5
4
1
K2
(INTERLOCK RELAY)
SW2A
(BRAKE SWITCH)
SOLENOID
WIRE COLOR CODES
2
3
5
(MOMENTARY)
6
SW7
7
P1–1
P1–4
P1–2
P1–5
P1–6
CLUTCH
NMIR
MODULE
P1–3 P2
VOLTAGE
COMPARATOR
HEADLIGHT HARNESS
25A
F5
+
STARTER
+
SWITCH OPENS WITH PRESSURE
CRUISE MAGNET
2
3
5
4
1
(CRUISE RELAY)
K3
IGNITION SWITCH TERMINAL
LOCATIONS VEIWED FROM BACK.
FUEL
REG
MAG
SPARK PLUG SPARK PLUG
IGNITION
MODULES
AC
AC
FUEL
SOLENOID
KAW TWIN
2
3
5
4
1
(KILL RELAY)
K1

Related product manuals