EasyManua.ls Logo

Toro 74002 - Schematics

Toro 74002
80 pages
Print Icon
To Next Page IconTo Next Page
To Next Page IconTo Next Page
To Previous Page IconTo Previous Page
To Previous Page IconTo Previous Page
Loading...
Schematics
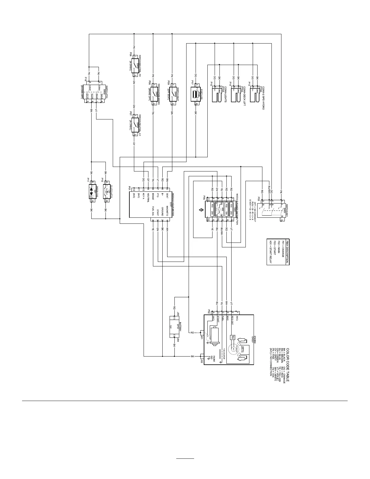
g338323
KawasakiEnginesElectricalSchematic—Page1(Rev.A)
75

Table of Contents

Other manuals for Toro 74002

Related product manuals