EasyManua.ls Logo

Toro 74626 - Schematics

Toro 74626
60 pages
Print Icon
To Next Page IconTo Next Page
To Next Page IconTo Next Page
To Previous Page IconTo Previous Page
To Previous Page IconTo Previous Page
Loading...
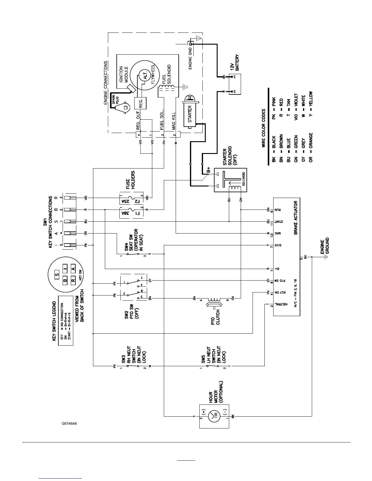
Schematics
G014644
ElectricalDiagram(Rev.A)
59

Table of Contents

Related product manuals