EasyManua.ls Logo

Toro 74776 - Schematics

Toro 74776
52 pages
Print Icon
To Next Page IconTo Next Page
To Next Page IconTo Next Page
To Previous Page IconTo Previous Page
To Previous Page IconTo Previous Page
Loading...
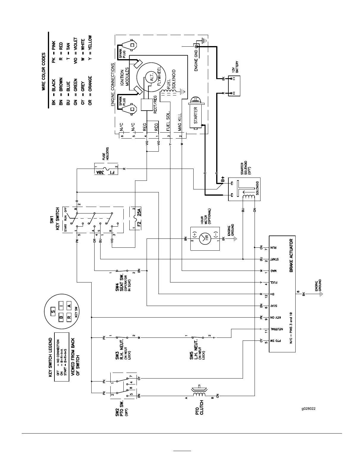
Schematics
g028022
ElectricalDiagram(Rev.A)
49

Table of Contents

Related product manuals