EasyManua.ls Logo

Toro 75759 - Schematics; Electrical Diagram

Toro 75759
56 pages
Print Icon
To Next Page IconTo Next Page
To Next Page IconTo Next Page
To Previous Page IconTo Previous Page
To Previous Page IconTo Previous Page
Loading...
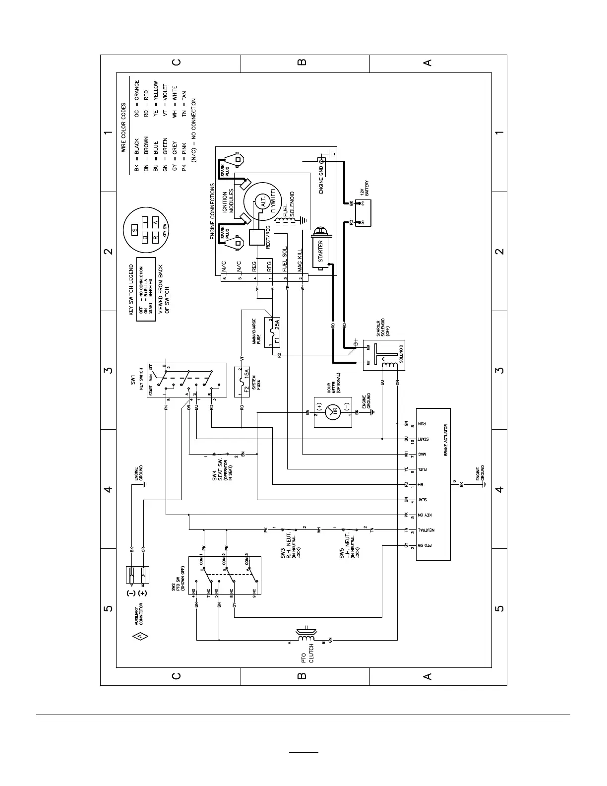
Schematics
g307974
ElectricalDiagram—139–2356(Rev.A)
55

Table of Contents

Other manuals for Toro 75759

Related product manuals