EasyManua.ls Logo

Toro SL500 - Page 29

Toro SL500
60 pages
Print Icon
To Next Page IconTo Next Page
To Next Page IconTo Next Page
To Previous Page IconTo Previous Page
To Previous Page IconTo Previous Page
Loading...
29
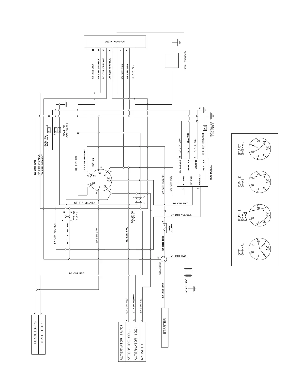
ELECTRIC SCHEMATIC

Related product manuals