EasyManua.ls Logo

Toshiba MMY-MAP1002FT8-E - Page 14

Toshiba MMY-MAP1002FT8-E
45 pages
Print Icon
To Next Page IconTo Next Page
To Next Page IconTo Next Page
To Previous Page IconTo Previous Page
To Previous Page IconTo Previous Page
Loading...
14
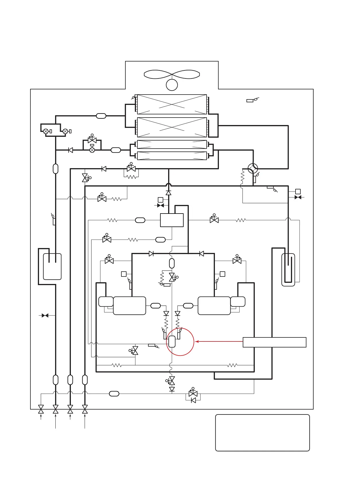
Capillary tube
Capillary
tube
Capillary
tube
FM
Propeller fan
Fan motor
Sensor
(TO)
Sensor
(TS1)
Sensor
(TS2)
Sensor
(TE1)
(Right side)
Main heat exchanger
Solenoid valve
(SV2)
Solenoid valve
(SV12)
Solenoid valve
(SV3A)
Check valve
Solenoid valve
(SV3E)
Solenoid valve
(SV3B)
Solenoid valve
(SV3D)
Solenoid valve
(SV6)
Solenoid valve
(SV5)
Solenoid valve (SV11)
Solenoid valve
(SV3C)
4-Way valve
Check
joint
Low-pressure
sensor
Accumulator
Check joint
Check
joint
High-pressure
sensor
High-pressure
switch
High-pressure
switch
Check valve
Check valve Check valve
Check valve
Sensor (TK4)
Sensor
(TK3)
Capillary tube
Strainer
Strainer
Strainer Strainer
Strainer
Capillary
tube
Capillary tube
Capillary tube
Strainer
Check
valve
Sensor
(TD1)
Sensor
(TD2)
Liquid
tank
Oil tank
Service valve
of balance pipe
Service valve
at liquid side
Service valve at
suction gas side
Service valve at
discharge gas side
Pulse motor valve
(Left side)
Main heat exchanger
(PMV1) (PMV2)
(PMV3)
Check valve
Check valve
Sub heat exchanger (Right side)
Sub heat exchanger (Left side)
Strainer
Sensor
(TL)
Sensor
(TK1)
Oil
separator
Compressor 1
(Inverter)
Compressor 2
(Inverter)
Strainer
Strainer
Strainer
Capillary tube
Check
valve
Sensor
(TK2)
Strainer
Solenoid valve
(SV41)
Solenoid valve
(SV42)
Capillary tube Capillary tube
Changed positions
As shown in the left, the oil tank
appearance of A05-004-1 is changed.
As there is especially no problem in
expression of the refrigerating cycle
diagram, the diagram is not changed.
n Inverter unit (8, 10, 12HP)
Model: MMY-MAP0802FT8-E, MMY-MAP1002FT8-E, MMY-MAP1202FT8-E

Related product manuals