EasyManua.ls Logo

Toshiba MMY-MAP1002FT8-E - Refrigerant Piping Systematic Drawing; Inverter Unit Refrigerant Piping

Toshiba MMY-MAP1002FT8-E
45 pages
Print Icon
To Next Page IconTo Next Page
To Next Page IconTo Next Page
To Previous Page IconTo Previous Page
To Previous Page IconTo Previous Page
Loading...
13
Capillary tube
Capillary
tube
Capillary tube
M
Propeller fan
Fan motor
Sensor
(TO)
Sensor (TS1)
Sensor
(TL)
Sensor
(TE1)
(Right side)
(Left side)
Solenoid valve
(SV2)
Solenoid valve (SV5)
Solenoid valve
(SV41)
Solenoid
valve
(SV3A)
Solenoid
valve
(SV3E)
Solenoid
valve
(SV3B)
Solenoid valve
(SV3D)
Solenoid
valve
(SV3C)
4-Way valve
Check joint
Low-pressure
sensor
Accumulator
Check joint
Check
joint
High-pressure
sensor
High-pressure
switch
Oil
separator
Check valve
Check
valve
Check
valve
Check
valve
Check
valve
Compressor 1
(Inverter)
Strainer
Strainer
Sensor
(TK1)
Sensor
(TK4)
Sensor
(TK3)
Capillary tube
Capillary tube
Capillary tube
Strainer
Strainer
Strainer
(PMV1)
Strainer
StrainerStrainer
Capillary tube
Capillary tube
Solenoid valve
(SV42)
High-pressure
switch
Check
valve
Check
valve
Compressor 2
(Inverter)
Strainer
Sensor
(TK2)
Sensor
(TD2)
Sensor
(TD1)
Liquid
tank
Oil tank
Balance pipe
servise valve
Liquid side
servise valve
Gas side
servise valve
Pulse motor
valve (PMV)
(PMV1)
(8,10,12HP)
(8,10,12HP)
(5,6HP)
(PMV2)
Air heat exchanger
at outdoor side
Air heat exchanger
at outdoor side
Sensor
(TE1)
(Right side)
(Left side)
Air heat exchanger
at outdoor side
Air heat exchanger
at outdoor side
Changed positions
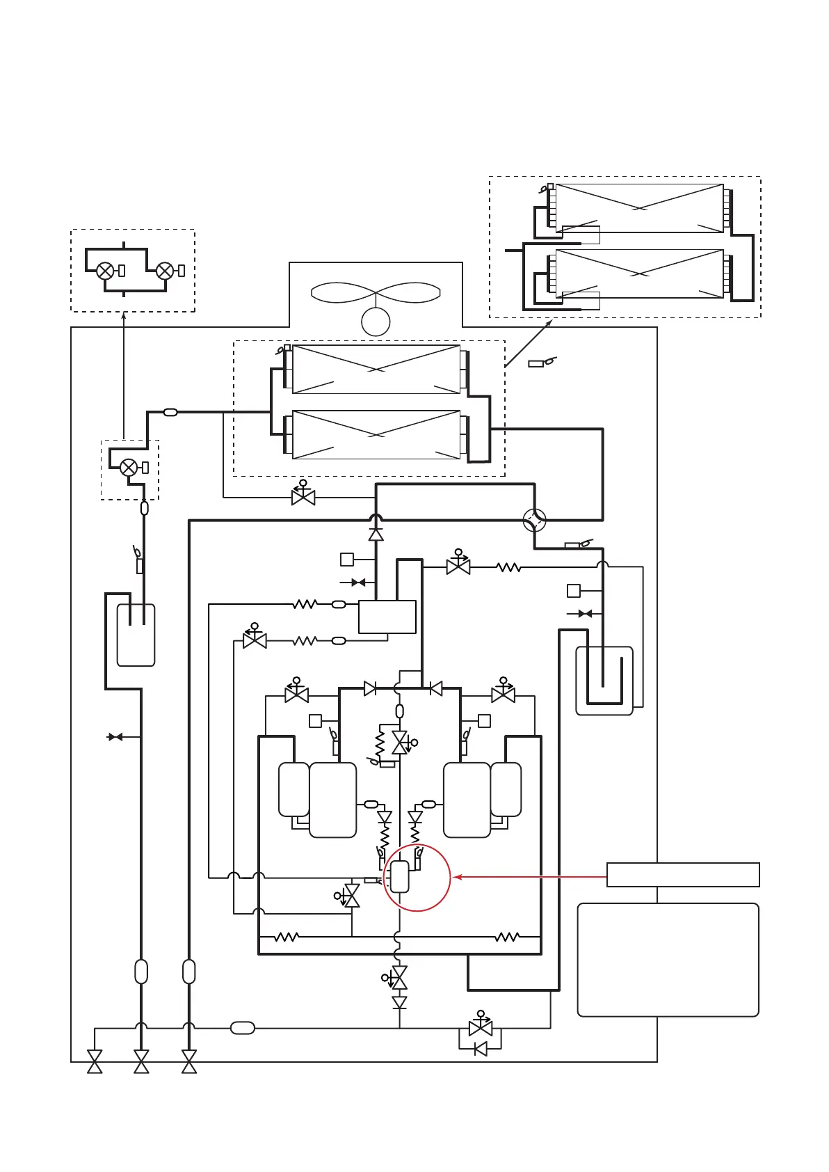
As shown in the left, the oil
tank appearance of A03-009,
A04-008 are changed.
As there is especially no
problem in expression of the
refrigerating cycle diagram,
the diagram is not changed.
5-3. Refrigerant Piping Systematic Drawing
n Inverter unit (5, 6, 8, 10, 12HP)
Model: MMY-MAP0501HT8-E (T8-E), MMY-MAP0601HT8-E (T8-E), MMY-MAP0801HT8-E (T8-E),
MMY-MAP1001HT8-E (T8-E), MMY-MAP1201HT8-E (T8-E)

Related product manuals