EasyManua.ls Logo

Trane 4TXK6548G1000AA - Piping Diagram

Trane 4TXK6548G1000AA
187 pages
Print Icon
To Next Page IconTo Next Page
To Next Page IconTo Next Page
To Previous Page IconTo Previous Page
To Previous Page IconTo Previous Page
Loading...
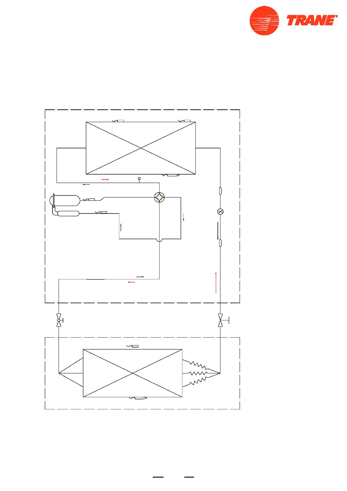
Stop valve
(
gas side)
Heater
Compressor
Discharging temp.sensor Td
Sunction temp.sensor Ts
Cooling
Condensor middle
temp.sensor Tcm
Defrosting temp.sensor Te
Indoor ambient temp.sensor Tai
Heating
Indoor coil temp.sensor Tc
Heating
Cooling
Maintance valve
Outdoor ambient temp.
sensor Tai
4-way stop valve
Evaporate
Condensor
Cooling
Heating
3-way stop valve
( liquid side)
Filter
EEV
Filter
3 . Piping diagram
4TXK6512G1000AA 4TXK6518G1000AA 4TXK6524G1000AA
2 9

Related product manuals