EasyManua.ls Logo

Trane 4TXK6548G1000AA - Page 41

Trane 4TXK6548G1000AA
187 pages
Print Icon
To Next Page IconTo Next Page
To Next Page IconTo Next Page
To Previous Page IconTo Previous Page
To Previous Page IconTo Previous Page
Loading...
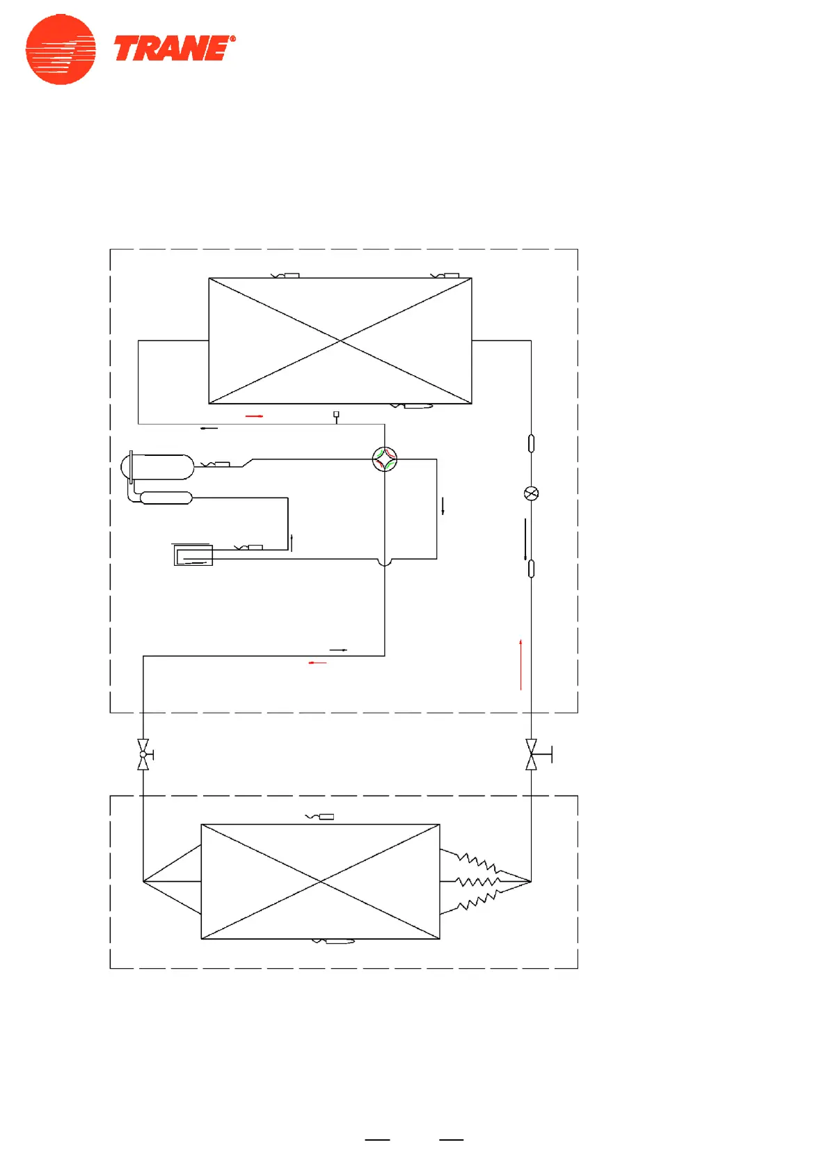
4TXK6536G1000AA 4TXK6548G1000AA 4TXK6560G1000AA
Condensor mid
dle
temp.sensor Tcm
Defrosting temp.sensor Te
Indoor ambient temp.sensor Tai
Stop valve
(
gas side)
Heater
Compressor
Discharg
ing temp.sensor Td
Liquid
-
gas segerator
Sunction
temp.sensor Ts
Cooling
Heating
Indoor coil temp.sensor Tc
Heating
Cooling
Maintance valve
Outdoor ambient temp.
sensor Tai
4-way stop valve
Evaporate
Condensor
Cooling
Heating
3
-
way stop valve
( liquid side)
Filter
EEV
Filter
30

Related product manuals