EasyManua.ls Logo

Trane 4TXK6548G1000AA - Wiring Diagram; 4.1 4 MXC6518 G1000 AA Wiring Diagram

Trane 4TXK6548G1000AA
187 pages
Print Icon
To Next Page IconTo Next Page
To Next Page IconTo Next Page
To Previous Page IconTo Previous Page
To Previous Page IconTo Previous Page
Loading...
31
BM1-1
OFF
ON
OFF
ON
OFF
ON
OFF
ON
WIRED
CONTROLLER
BM1-2 BM1-3
OFF
OFF
ON
ON
OFF
OFF
ON
ON
ABC
OFF
OFF
OFF
OFF
ON
ON
ON
ON
WIFI
MODULE
CN11
CN4
48000
24000
28000
36000
60000
12000
18000
9000
BTU
ABC
O FF
BM1-4
O N
CN14
OFF
ON
ROOMCARD
87654321
4MXC6518G1000AA
BM3
CN1
Available
Unavailable
ROOM CARD
MODEL
Reserved
Reserved
Reserved
Reserved
REMOTE
CENTRAL
CN13
FLOAT
SWITCH
O FF
O N
BM1-5
CN19
OFF
ON
87654321
UP/DOWN
SENSOR
BM1
CN35
Cool only
TEMP.
Heat pump
COOL HEAT
PIPING ROOM
DC FAN
TEMP.
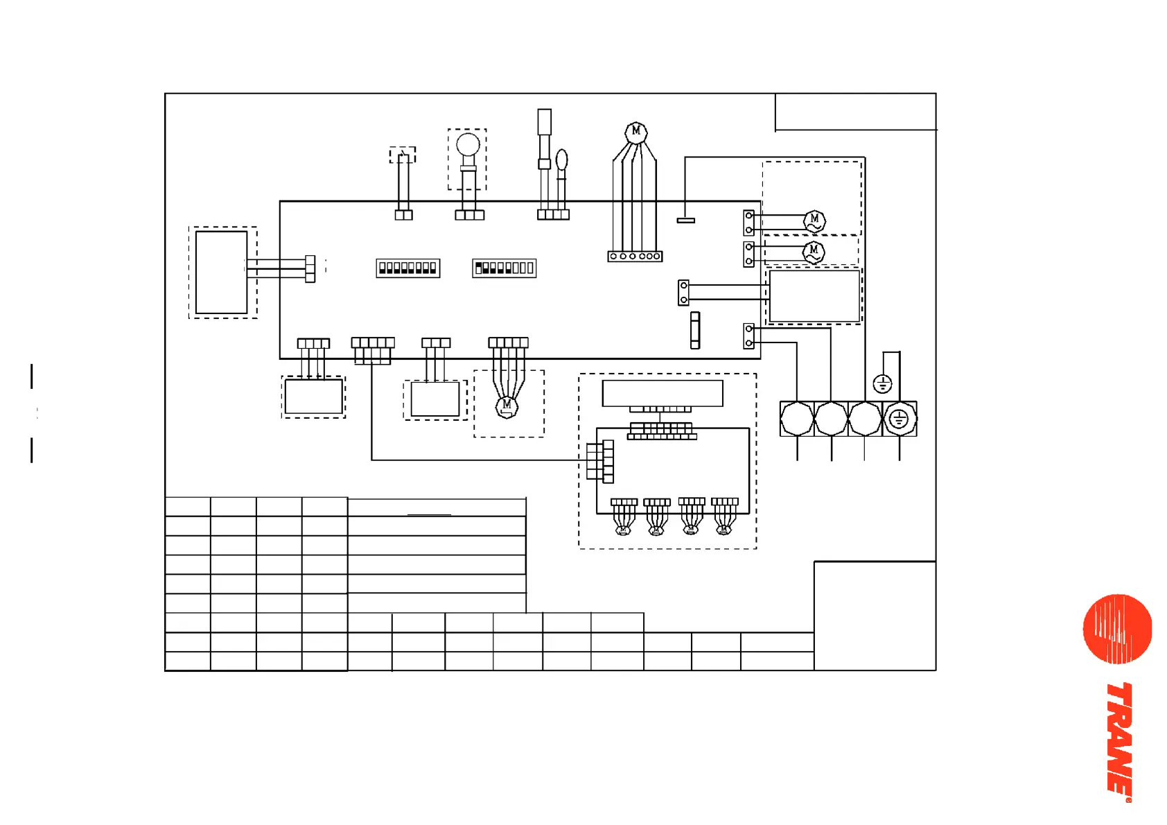
NOTE1 .DASH ED PARTS A RE OPTION AL .
2.U SERS SHOULD NOT SE T BM1 AND BM3 .
3.CN21 AND CN 3 5 ARE ONLY USE D ON M ODEL
AB 25S2SC1F A AND AB35 S2SC1FA.
CN3
BM1-6
OFF
SENSOR
ON
CN6
Fault alarm
FUNCTION
Fresh air
5A/250VAC
INFRARED REMOTE
RECEIVER
CN1 CN2 CN3 CN4
CN7 CN29
LOUVER STEP MOTOR
B
B L R W Y
BM1-7
CN8
OFF
F1
CH1
W
BM1-8
CN16
CN10
ON
CN9
N
L
TYPE DEFINE
Cassette
FRESH AIR MOTOR/
EXTERNAL ALARM
OUTPUT (Contact rating 230VAC 3A)
HEATER,CONNECT TO
THIRD PARTY RELAY
(Contact rating 230VAC 3A)
W
0150538197
1
TO OUT DOOR
B
R:RED
B:BLACK
BL:BLUE
W:WHITE
OR:ORANGE
Y/G:YELLOW/GREEN
2
DRAIN
PUMP
R
3
Y/G
4 . Wiring diagram
4.1 4MXC6518G1000AA

Related product manuals