EasyManua.ls Logo

Trane 4TXK6548G1000AA - 4.9 4 TXK6524 G1000 AA Wiring Diagram

Trane 4TXK6548G1000AA
187 pages
Print Icon
To Next Page IconTo Next Page
To Next Page IconTo Next Page
To Previous Page IconTo Previous Page
To Previous Page IconTo Previous Page
Loading...
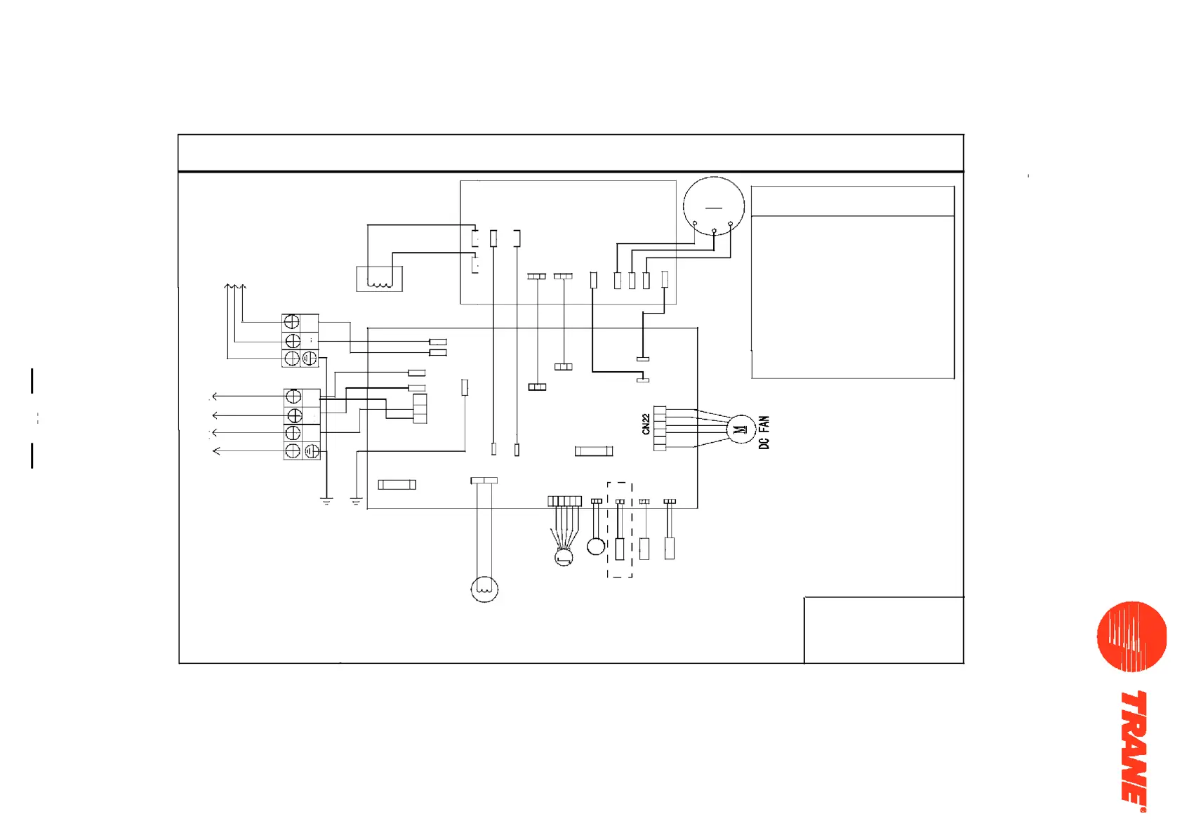
outdoor wiring diagram
0150538191
2018.7.31
线
,
·
TO INDOOR
P E
POWER
L
N
1(N) 2(L)
3(C)
Y / G
P E
Y / G
P E
R
Reactor
BR(OR B)
BL(OR W)
T1A/250VAC
FUSE2
W
BR(OR B)
BL(OR W)
G R
G R
COMA
N
CN6
CN7
CN5
CN1
CN2
CN3
CN4
CN3
BL BL
BL BR
(OR W) (OR
B)
P E
4VW
CN11
CN2 CN1
A C
-
N
O U T
AC
-
N AC
-
L
CN9 CN10
AC
-
L
OUT
CN11
CN24
B
B
BL
MAIN BOARD
Driver module
CN15
CN10
CN23
EEV
M
B L
T25A/250VAC
C N 9
FUSE 1
CN19
T ao
B L
W V U
CN7CN6CN5
R W
CN18 CN47 CN17
T e
CN28
CN25
B
T s T d
O R
CN8
C ( W )
S(V)
M
R(U)
Do not touch the capacitor even
when the power is off
For your safety,please wait five
minutes after the power is
off.Use ameter to verify that
the voltage between P and N is
less than DC10V before starting
maintenance.
Y/G
:
Yellow/Green
BL
:
Blue
BR
:
Brown
B
:
Black
R
:
Red
WARNING
OR
:
Orange
GR
:
Gray
W
:
White
4.9 4TXK6524G1000AA
39

Related product manuals