EasyManua.ls Logo

Trane A4AC6036B1000A - Page 29

Trane A4AC6036B1000A
36 pages
Print Icon
To Next Page IconTo Next Page
To Next Page IconTo Next Page
To Previous Page IconTo Previous Page
To Previous Page IconTo Previous Page
Loading...
88-A4AC6001-1F-EN 29
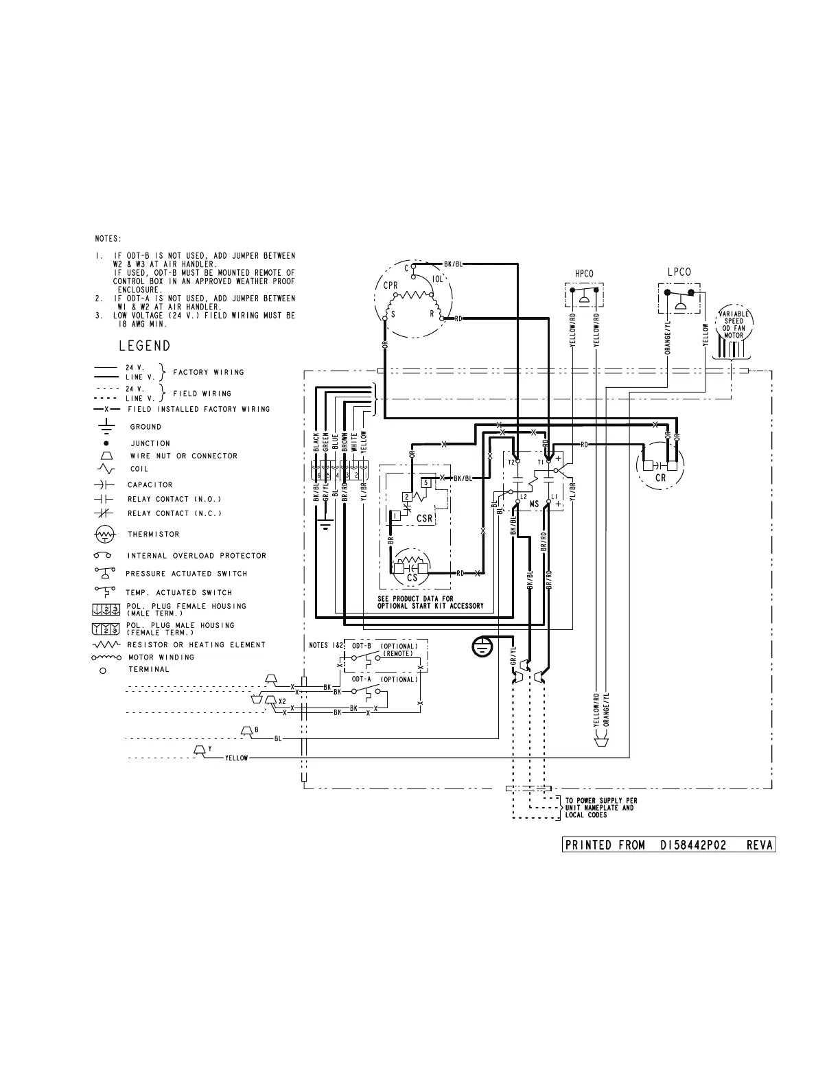
060A Models

Related product manuals