EasyManua.ls Logo

Trane AUHMB080ACV3VA - Wiring Diagrams and Schematics; UHM Series Wiring Diagram

Trane AUHMB080ACV3VA
54 pages
Print Icon
To Next Page IconTo Next Page
To Next Page IconTo Next Page
To Previous Page IconTo Previous Page
To Previous Page IconTo Previous Page
Loading...
18 UHM-DHM-SF-1H
Service Facts
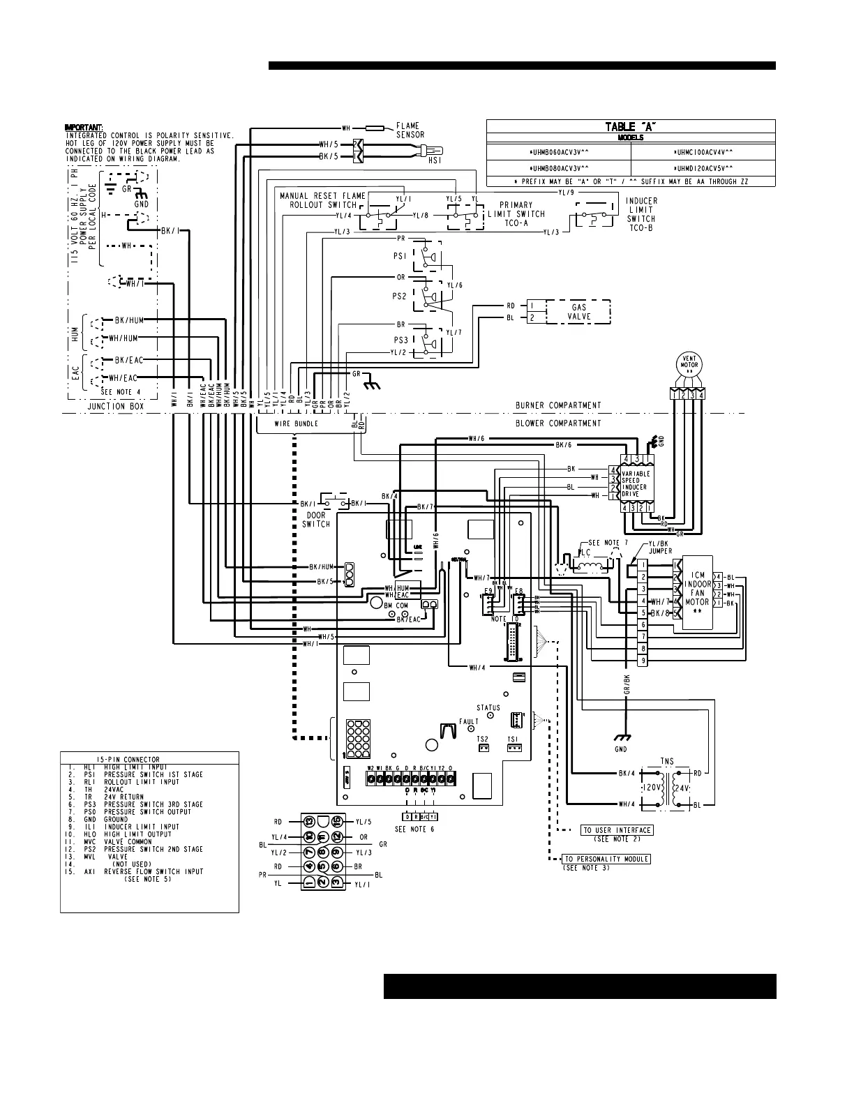
*UHM WIRING DIAGRAM
CAUTION
!
Label all wires prior to disconnection when servicing con-
trols. Wiring errors can cause improper and dangerous op-
eration. Verify proper operation after servicing.

Related product manuals