EasyManua.ls Logo

Trane Axiom GEVB 024 - Deluxe Control Wiring Diagrams

Trane Axiom GEVB 024
96 pages
To Next Page IconTo Next Page
To Next Page IconTo Next Page
To Previous Page IconTo Previous Page
To Previous Page IconTo Previous Page
Loading...
WSHP-SVX01E-EN 89
Wiring
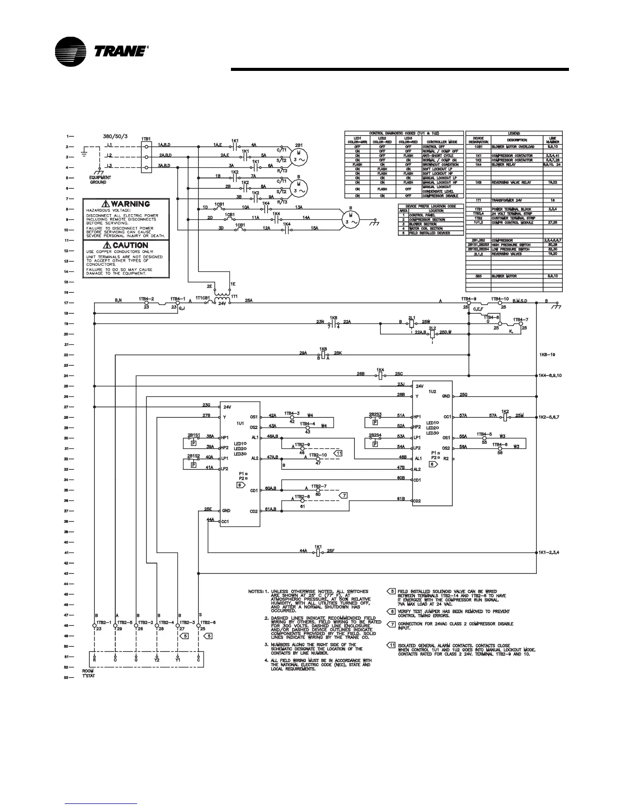
Figure 2. Deluxe — 380-420 V-50 Hz-3 Ph

Table of Contents

Related product manuals