EasyManua.ls Logo

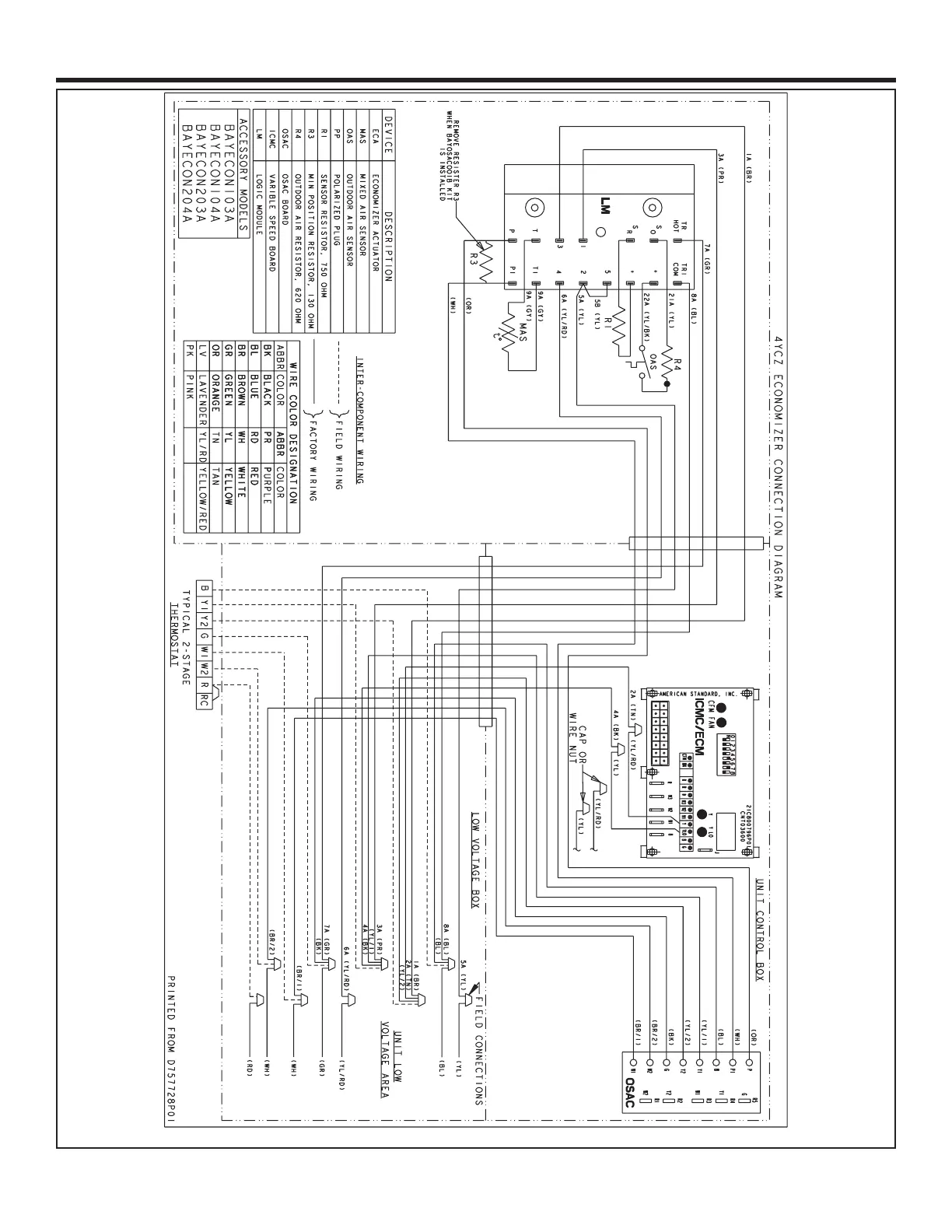
Trane BAYRLAY006A - Economizer Wiring Diagrams; 4 YCZ6 Economizer Connection Diagram (W7459)

Trane BAYRLAY006A
18 pages
Print Icon
To Next Page IconTo Next Page
To Next Page IconTo Next Page
To Previous Page IconTo Previous Page
To Previous Page IconTo Previous Page
Loading...
8
Wiring Diagram for Economizer Using a Honeywell W7459 Logic
Figure 12. 4YCZ6 Economizer Connection Diagram
IMPORTANT-Retain this wiring diagram; please return this document to service information pack upon completion of work.
INSTALLER’S GUIDE
A
A
A
A

Related product manuals