EasyManua.ls Logo

Trane ProSpace PTHG0902GAA - Refrigerant System Diagrams; PTHG Cooling, Heat Pump, Auxiliary; Electric Heat; PTEG Cooling and Electric Heat

Trane ProSpace PTHG0902GAA
40 pages
Print Icon
To Next Page IconTo Next Page
To Next Page IconTo Next Page
To Previous Page IconTo Previous Page
To Previous Page IconTo Previous Page
Loading...
12
PTAC-SVX004A-EN
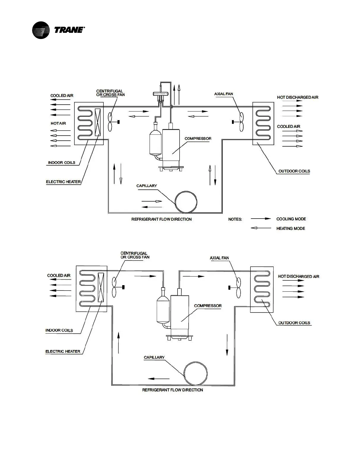
Refrigerant System Diagrams
PTHG Cooling, Heat Pump, Auxiliary Electric Heat
PTEG Cooling and Electric Heat

Related product manuals